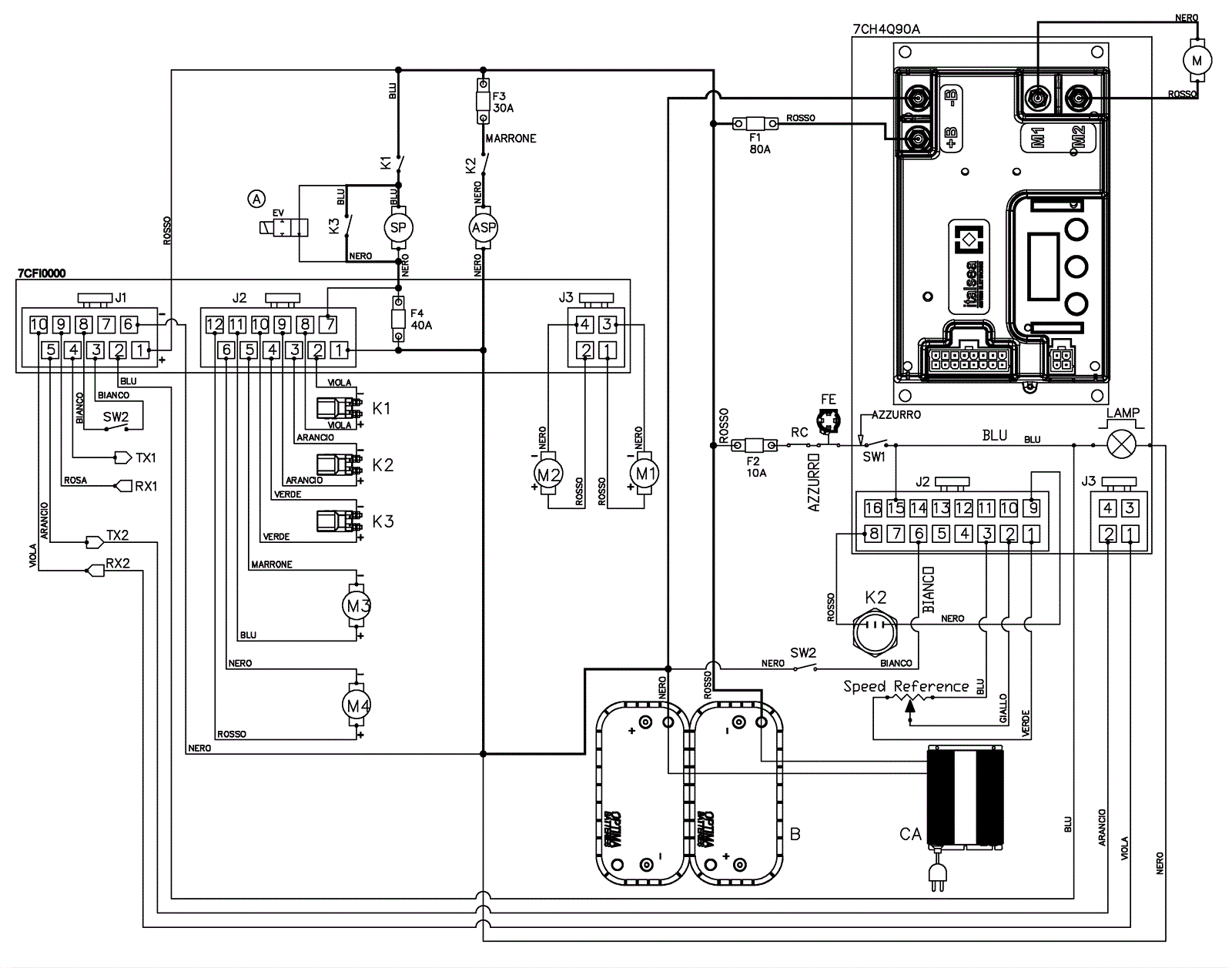
Electrical System Assembly
Click to enlarge