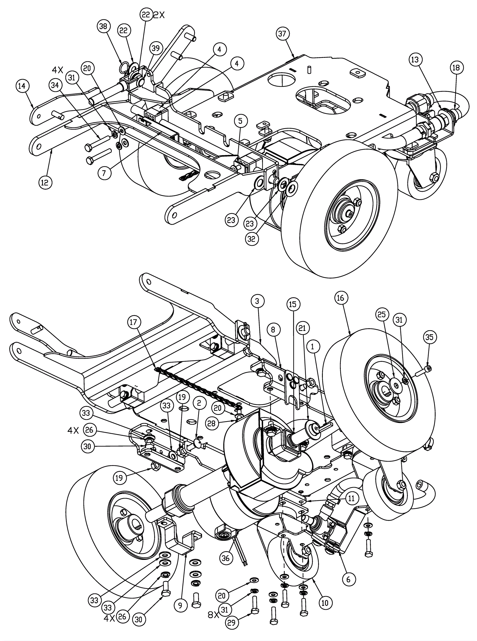
| # | Part | Description | Price | Req | Notes | Availability |
1 |
174-1090
|
Key 3/16 x 1 3/4 long |
$1.08
|
2 |
|
usually ships 9-13 days |
2 |
999-0252
|
Screw 5/16-18 x 1 carriage head grade 5 zinc |
$0.99
|
2 |
|
ships same day |
3 |
174-8238
|
Main frame weldment |
$239.99
|
1 |
|
usually ships 1-5 days |
4 |
174-8243
|
Bearing block |
$3.30
|
4 |
|
usually ships 9-13 days |
5 |
174-8244
|
Bearing block plate |
$1.38
|
1 |
|
usually ships 9-13 days |
6 |
274-7151
|
Solenoid mount assembly |
$151.67
|
1 |
|
usually ships 9-13 days |
7 |
174-8246
|
Deck switch assembly |
$42.64
|
1 |
|
usually ships 1-5 days |
8 |
274-6110
|
Transaxle base mount bracket |
$26.25
|
2 |
|
usually ships 1-5 days |
9 |
274-1704
|
Transaxle mount bracket |
$9.66
|
2 |
|
usually ships 1-5 days |
10 |
174-1523
|
3 1/2 inch caster |
$31.43
|
2 |
|
ships same day |
11 |
274-2803
|
PLATE, 1/4 inch SPACER (OBSOLETE) |
$16.17
|
2 |
|
usually ships 9-13 days |
12 |
174-9184
|
Deck lift weldment |
$154.03
|
1 |
|
usually ships 9-13 days |
13 |
174-8255
|
Solution valve assembly |
$243.22
|
1 |
|
usually ships 9-13 days |
14 |
174-9185
|
Upper lift arm weldment |
$107.17
|
1 |
|
usually ships 9-13 days |
15 |
174-7157
|
Retaining ring |
$1.08
|
2 |
|
usually ships 1-5 days |
16 |
274-7909
|
8.5 inch tire foam filled |
$241.05
|
2 |
|
usually ships 9-13 days |
17 |
174-8708
|
Frame drag chain assembly |
$16.61
|
1 |
|
usually ships 1-5 days |
18 |
997-2001
|
Hose clamp |
$2.42
|
1 |
|
ships same day |
19 |
999-0211
|
Nut 5/16-18 hex nylon insert lock zinc plated |
$0.99
|
4 |
|
ships same day |
20 |
999-0335
|
Washer 1/4 x 5/8 SAE flat stainless steel |
$0.99
|
13 |
|
ships same day |
21 |
999-0588
|
Washer 7/8 flat stainless steel |
$11.44
|
2 |
|
ships same day |
22 |
174-8193
|
Washer .390 x .880 x .062 flat |
$1.08
|
3 |
|
usually ships 9-13 days |
23 |
999-0566
|
Washer 1/2 flat nylon |
$0.99
|
2 |
|
ships same day |
25 |
174-8169
|
Washer flat .37 x 1.12 x .10 |
$2.57
|
2 |
|
ships same day |
26 |
174-8250
|
Washer helical 5/16 stainless steel |
$1.08
|
8 |
|
usually ships 1-5 days |
28 |
999-0334
|
Bolt 1/4-20 x 3/4 inch hex head stainless steel |
$3.85
|
1 |
|
usually ships 16-20 days |
29 |
999-0297
|
Bolt 1/4-20 x 1 hex head stainless steel |
$2.53
|
8 |
|
ships same day |
30 |
999-0556
|
Bolt 5/16-18 x 3/4 hex head stainless steel |
$0.99
|
8 |
|
ships same day |
31 |
999-0632
|
Washer 1/4 split lock stainless steel |
$0.99
|
14 |
|
ships same day |
32 |
174-0588
|
Washer 9/16 x 1-1/16 x 3/64 flat pleated |
$1.08
|
1 |
|
usually ships 9-13 days |
33 |
174-8251
|
Washer flat stainless steel |
$1.08
|
14 |
|
ships same day |
34 |
999-1064
|
Bolt 1/4-20 x 1 3/4 hex head cap grade 5 zinc plated |
$0.99
|
4 |
|
ships same day |
35 |
999-1300
|
Screw M6-1 x 25mm socket head stainless steel |
$1.10
|
2 |
|
usually ships 1-5 days |
36 |
274-9506
|
24v transaxle |
$898.36
|
1 |
|
usually ships 1-5 days |
37 |
174-2234
|
Cord clip |
$3.87
|
1 |
|
usually ships 1-5 days |
38 |
174-0200
|
Cotter pin |
$1.08
|
1 |
|
usually ships 9-13 days |
39 |
174-5862
|
Clevis pin |
$3.43
|
1 |
|
usually ships 9-13 days |
N/S |
174-1039
|
Cotter pin 1/8 x 1 |
$1.08
|
1 |
|
usually ships 9-13 days |
N/S |
174-7162
|
Yoke clevis with pin |
$27.72
|
1 |
|
usually ships 1-5 days |