| # | Part | Description | Price | Req | Notes | Availability |
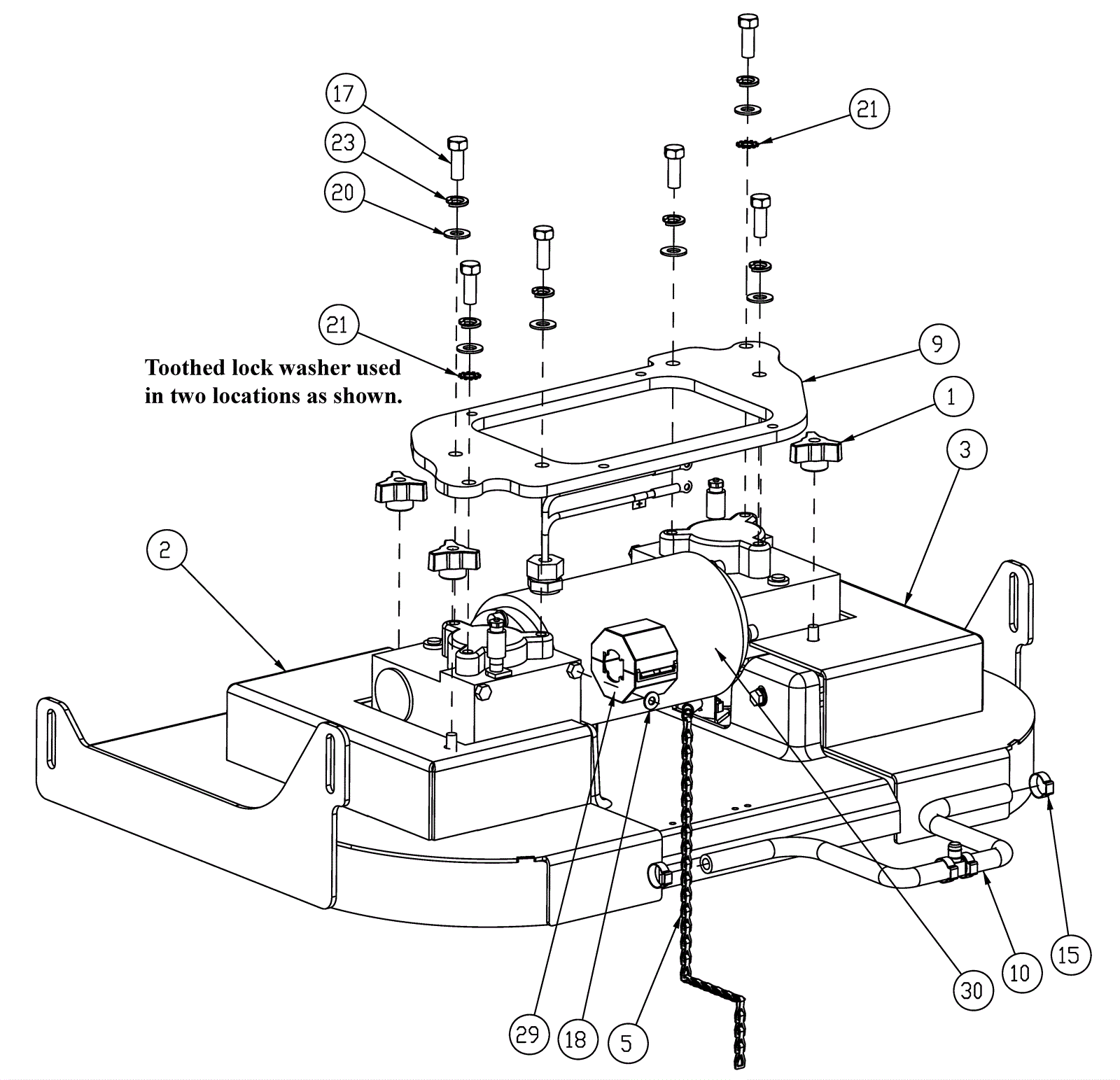
1 |
174-1220
|
3 sided knob 5/16 nyloc |
$5.51
|
4 |
|
usually ships 9-13 days |
2 |
274-8275
|
26 inch DISC DECK COVER WELD B100R LH |
$257.58
|
1 |
|
usually ships 1-5 days |
3 |
274-8276
|
26 inch DISC DECK COVER WELD B100R RH |
$257.58
|
1 |
|
usually ships 1-5 days |
5 |
174-8843
|
Drag chain assembly |
$26.67
|
1 |
|
usually ships 1-5 days |
9 |
274-6065
|
DISC SCRUBDECK MNTG PLATE, 26IN |
$104.96
|
1 |
|
usually ships 1-5 days |
15 |
997-2001
|
Hose clamp |
$2.42
|
2 |
|
ships same day |
17 |
999-0038
|
Bolt 3/8-16 x 1 hex head grade 5 zinc plated |
$1.87
|
12 |
|
ships same day |
18 |
999-0335
|
Washer 1/4 x 5/8 SAE flat stainless steel |
$0.99
|
9 |
|
ships same day |
20 |
999-0120
|
Washer 3/8 SAE flat |
$0.99
|
12 |
|
ships same day |
21 |
999-0318
|
Washer 3/8 external star lock zinc plated |
$0.99
|
2 |
|
ships same day |
23 |
999-0034
|
Washer 3/8 split lock plain finish |
$1.82
|
12 |
|
ships same day |
29 |
274-6025
|
FERRITE-BEAD CLAMP ON |
$40.19
|
1 |
|
usually ships 1-5 days |
30 |
374-0062
|
MOTOR, DUAL RIGHT ANGLE 26 inch, 40 inch LEADS |
$1,700.36
|
1 |
|
usually ships 1-5 days |