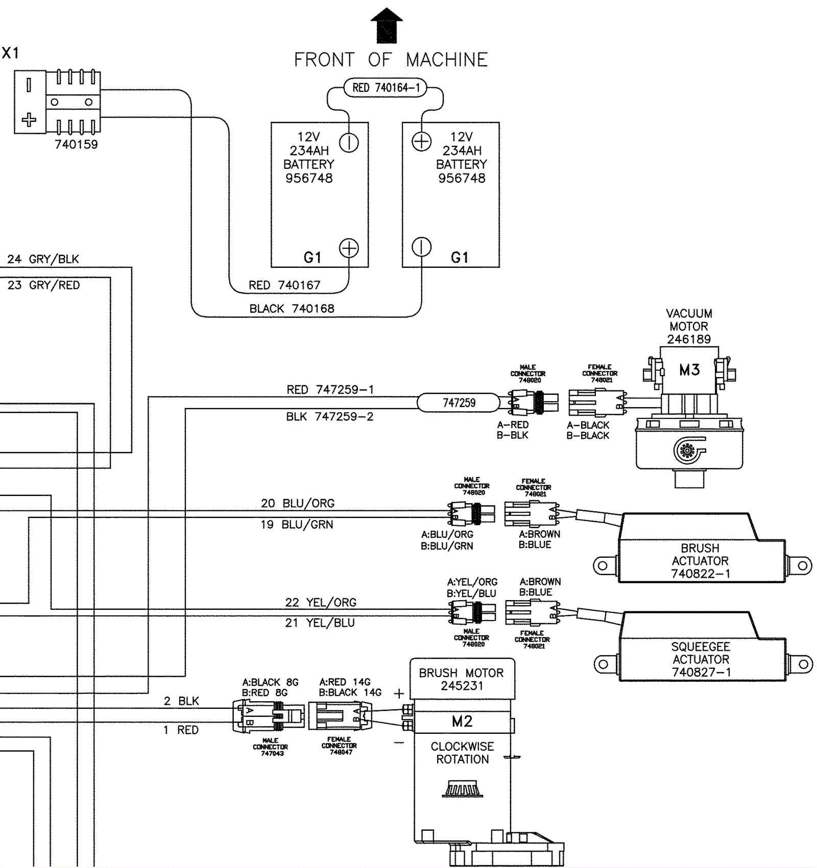
Electrical Schematics 4
Click to enlarge