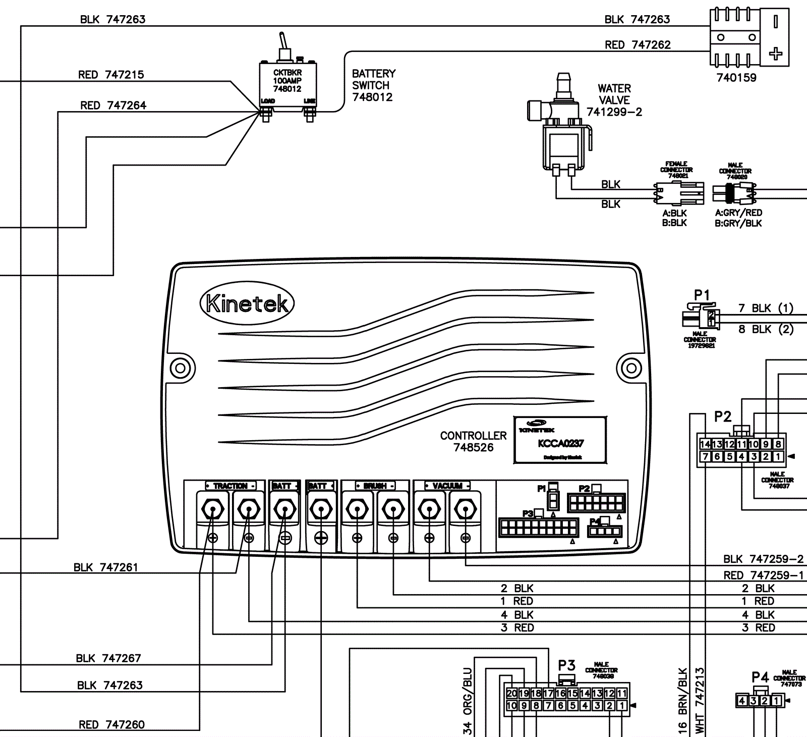
Electrical Schematics 3
Click to enlarge