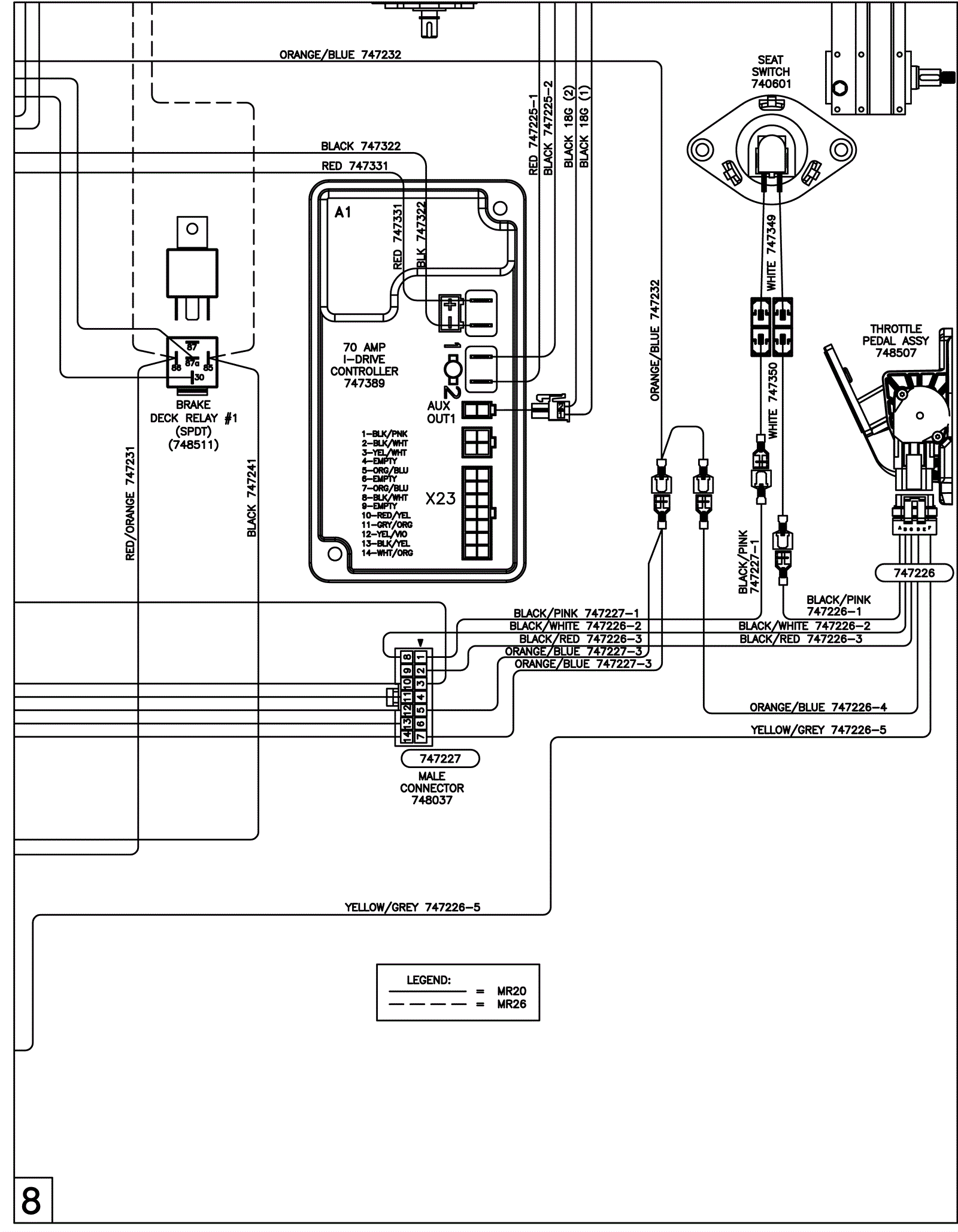
Wiring Diagram - Sport 8
Click to enlarge