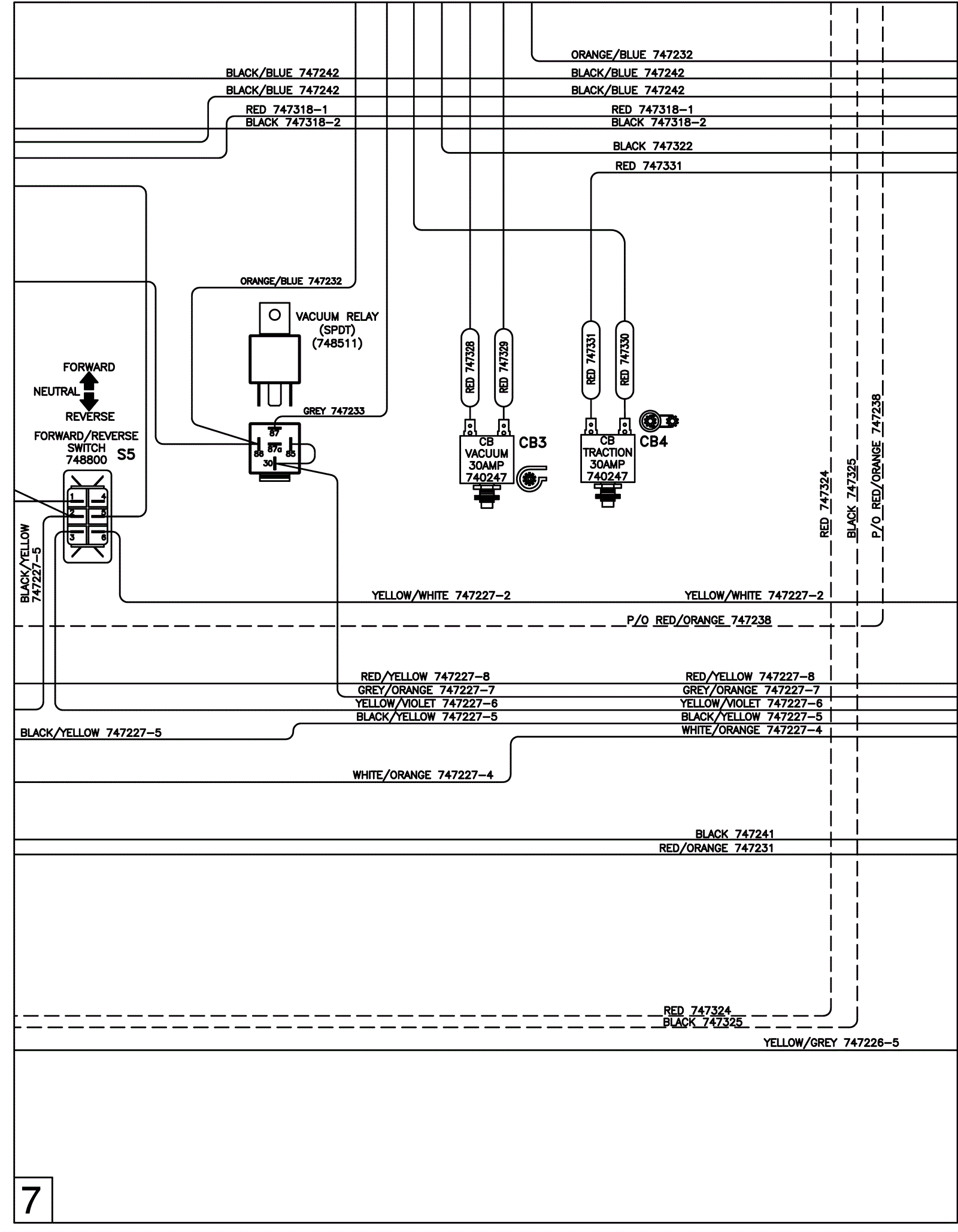
Wiring Diagram - Sport 7
Click to enlarge