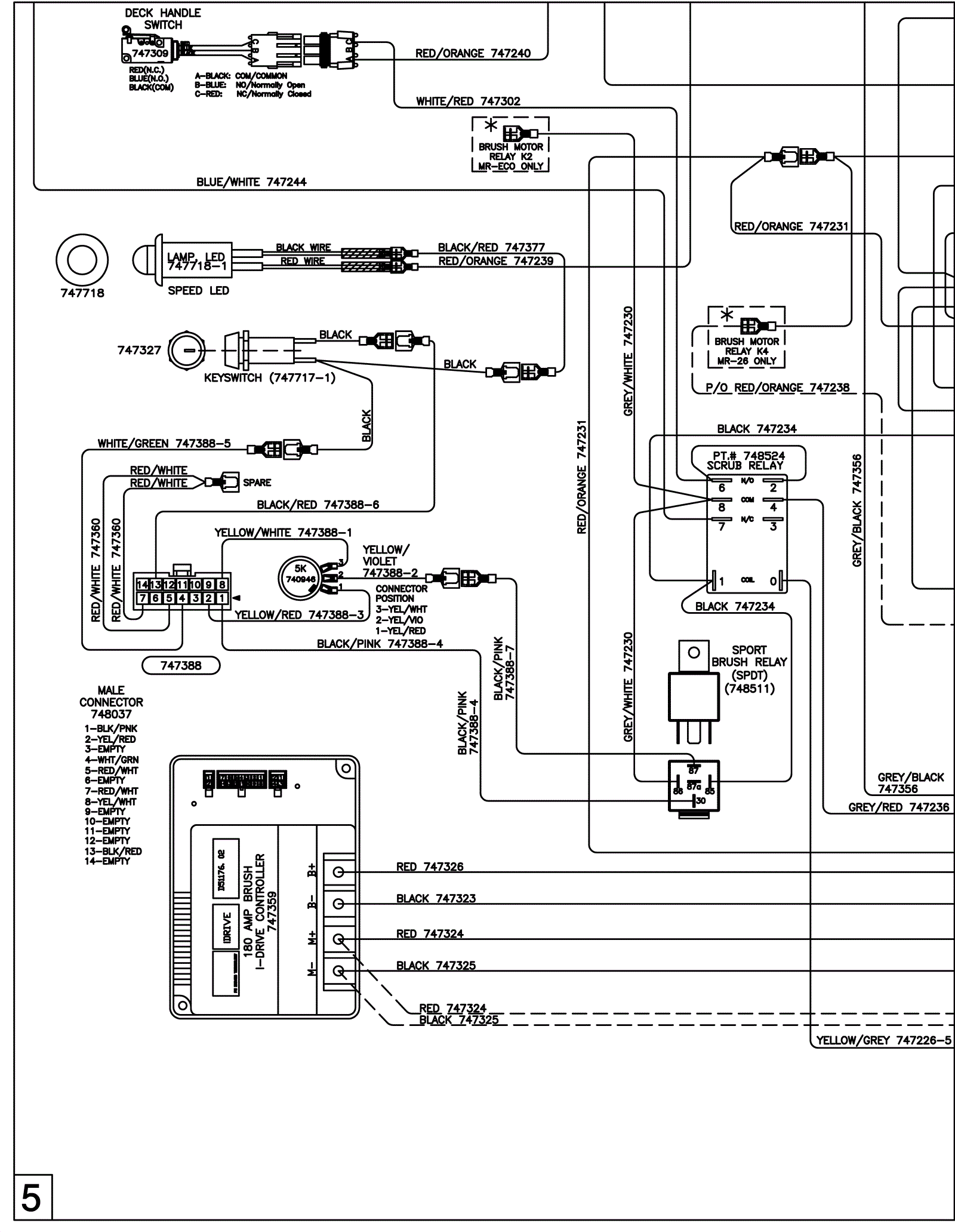
Wiring Diagram - Sport 5
Click to enlarge