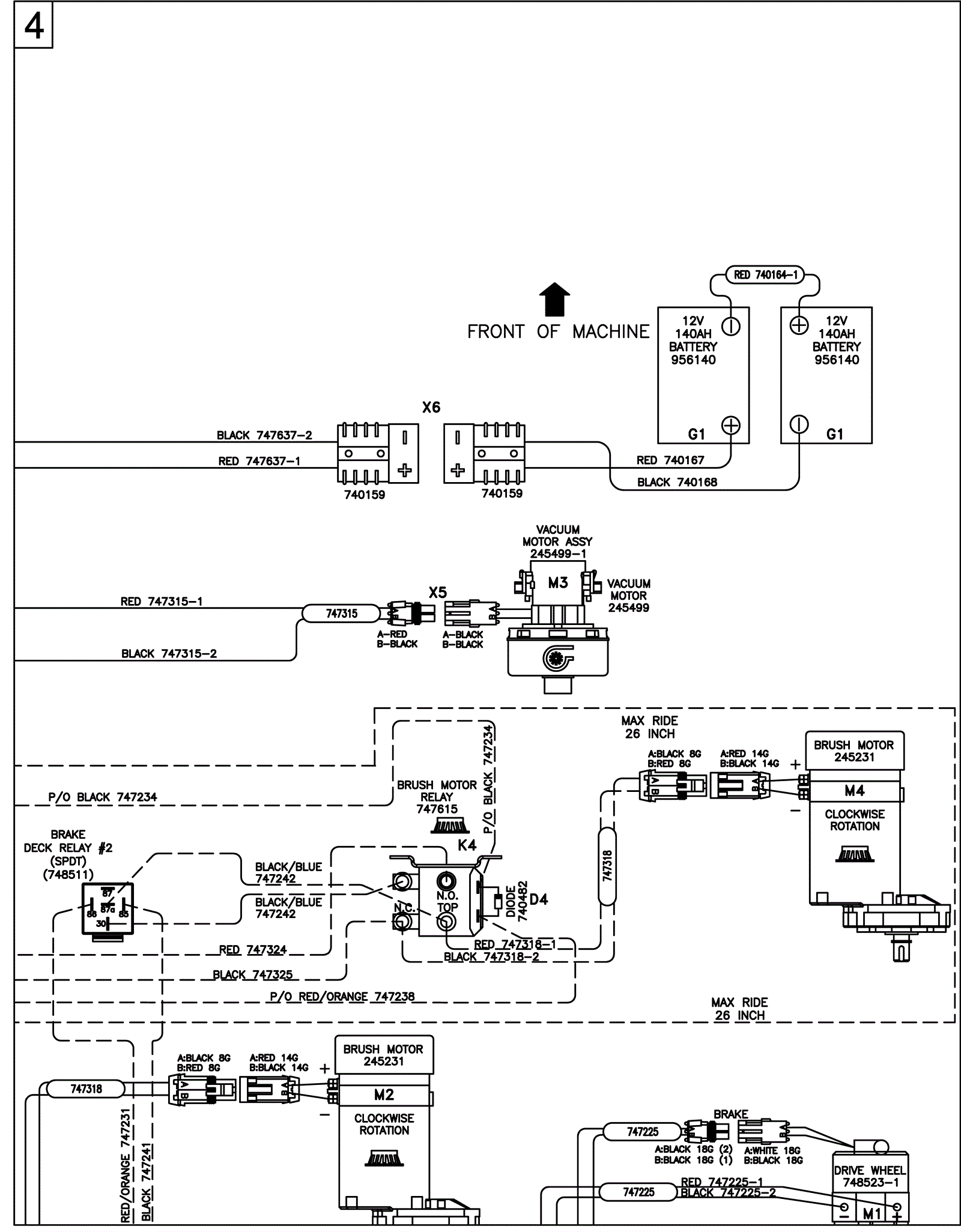
Wiring Diagram - Sport 4
Click to enlarge