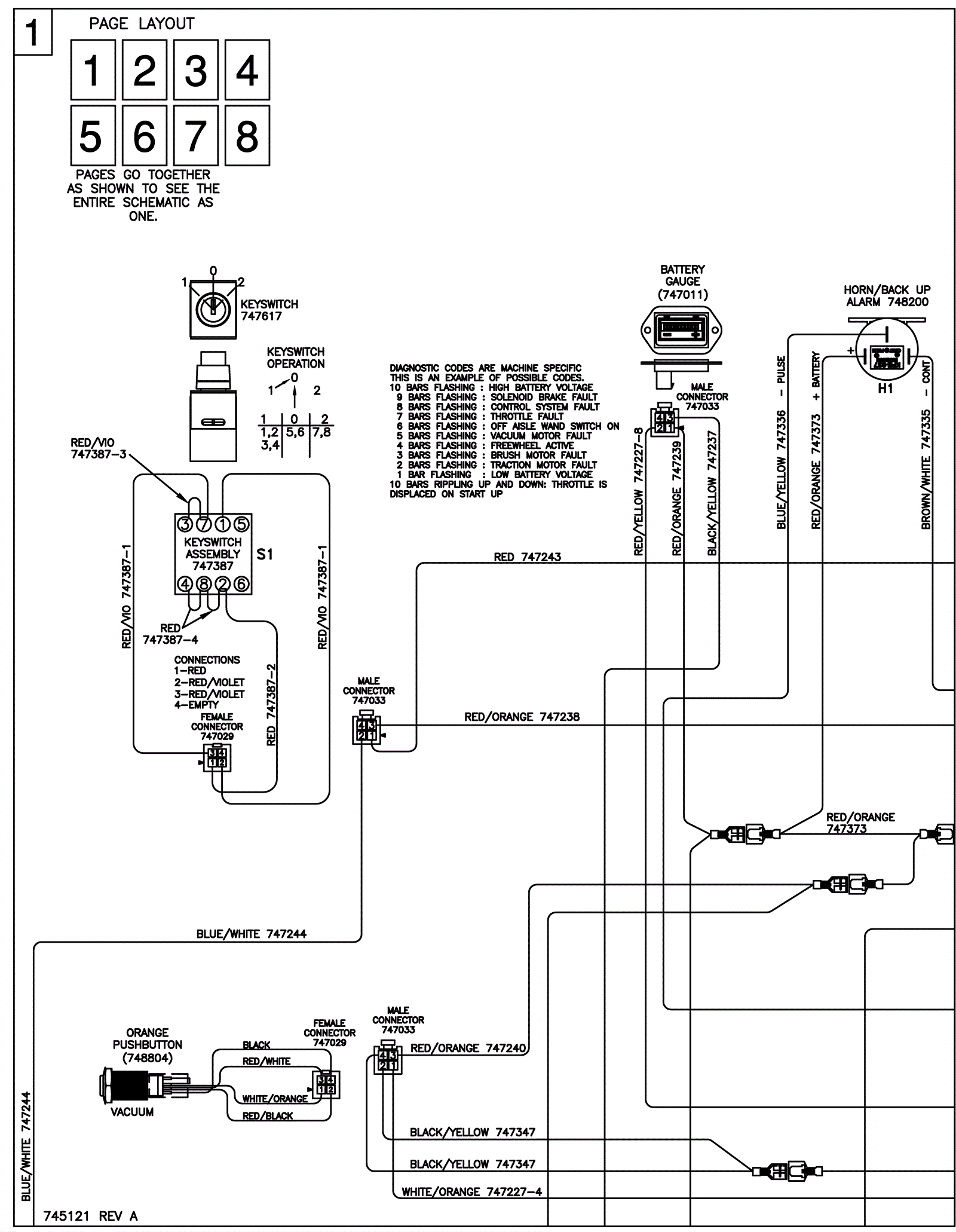
Wiring Diagram - Sport 1
Click to enlarge