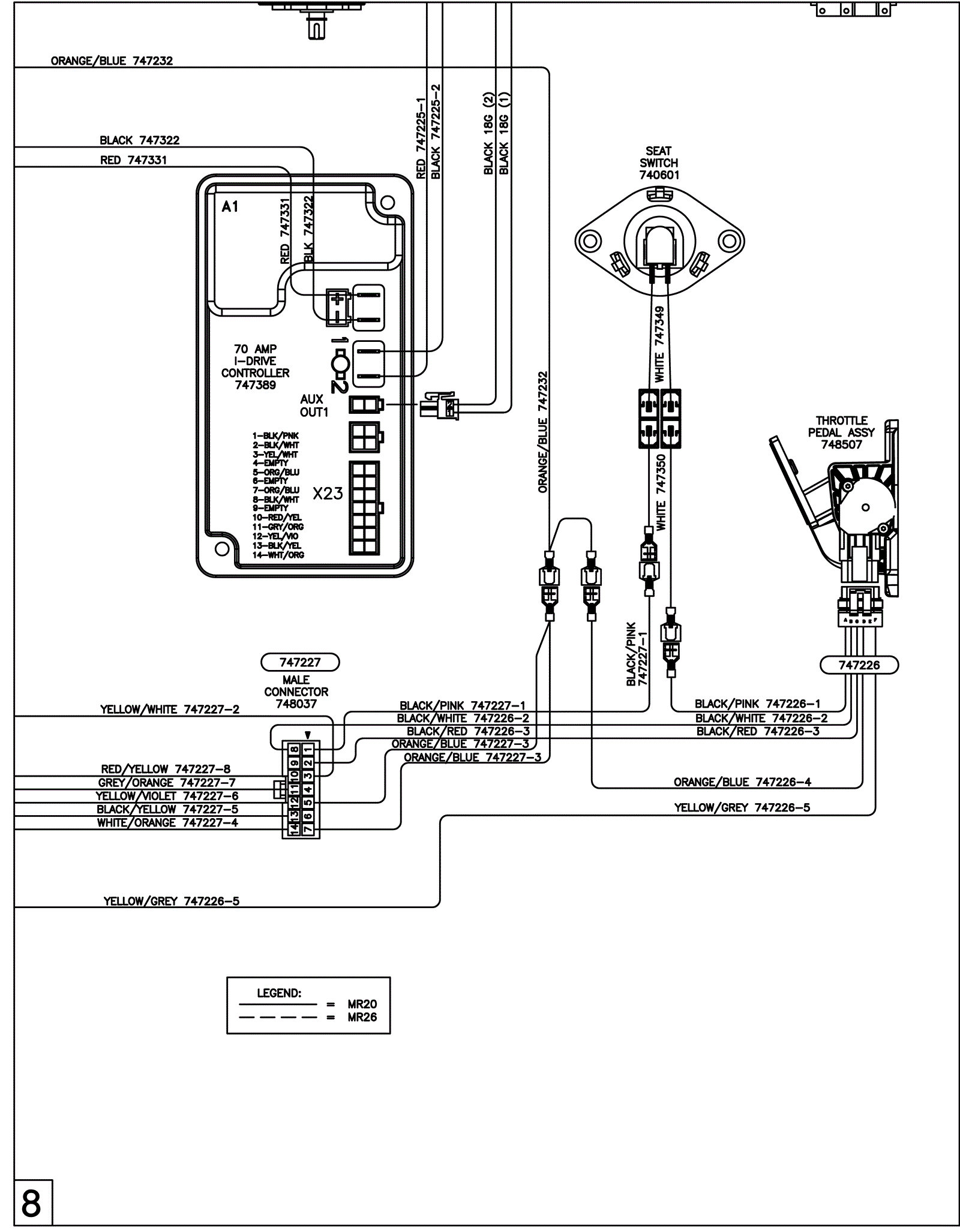
Wiring Diagram - ECO 8
Click to enlarge