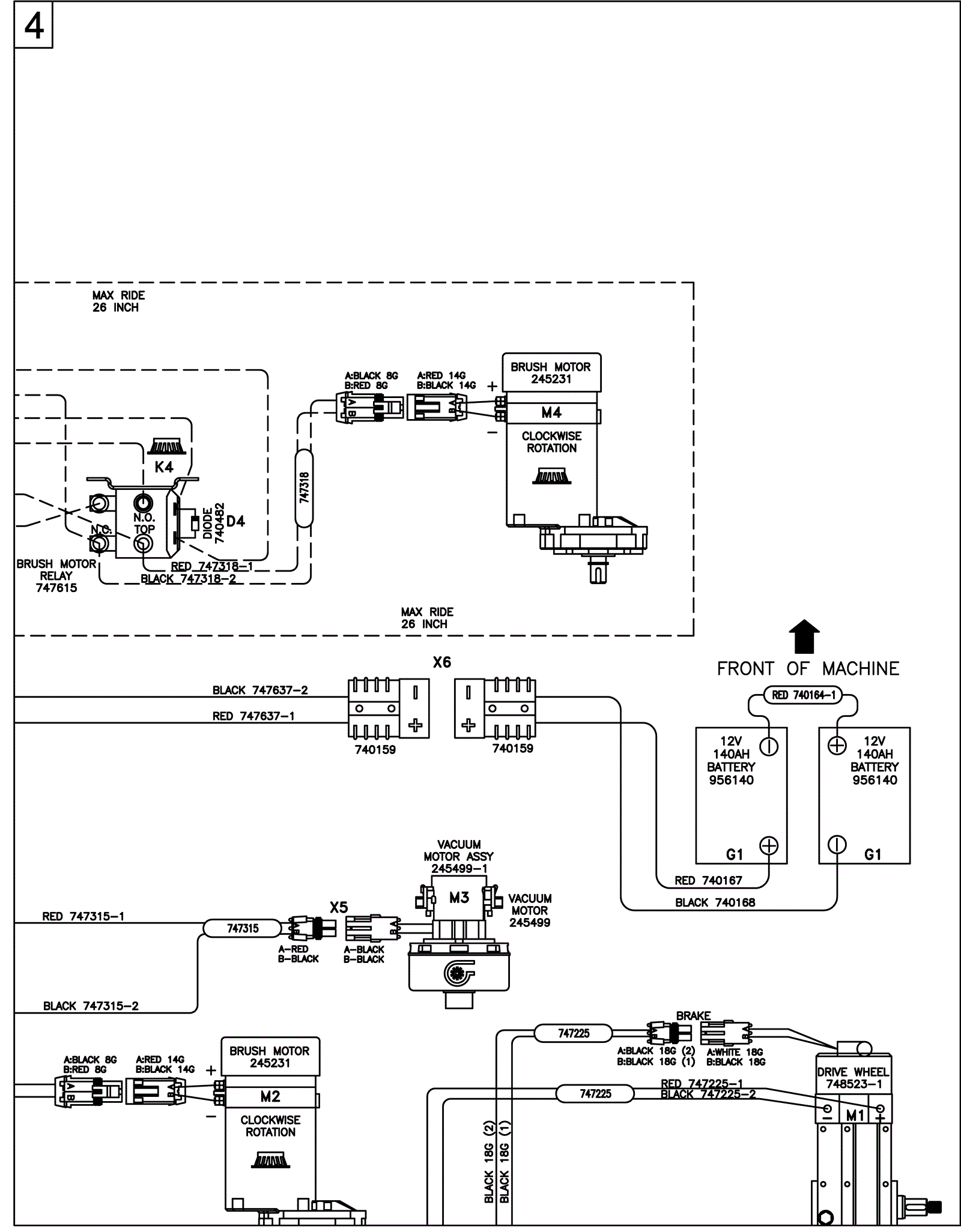
Wiring Diagram - ECO 4
Click to enlarge