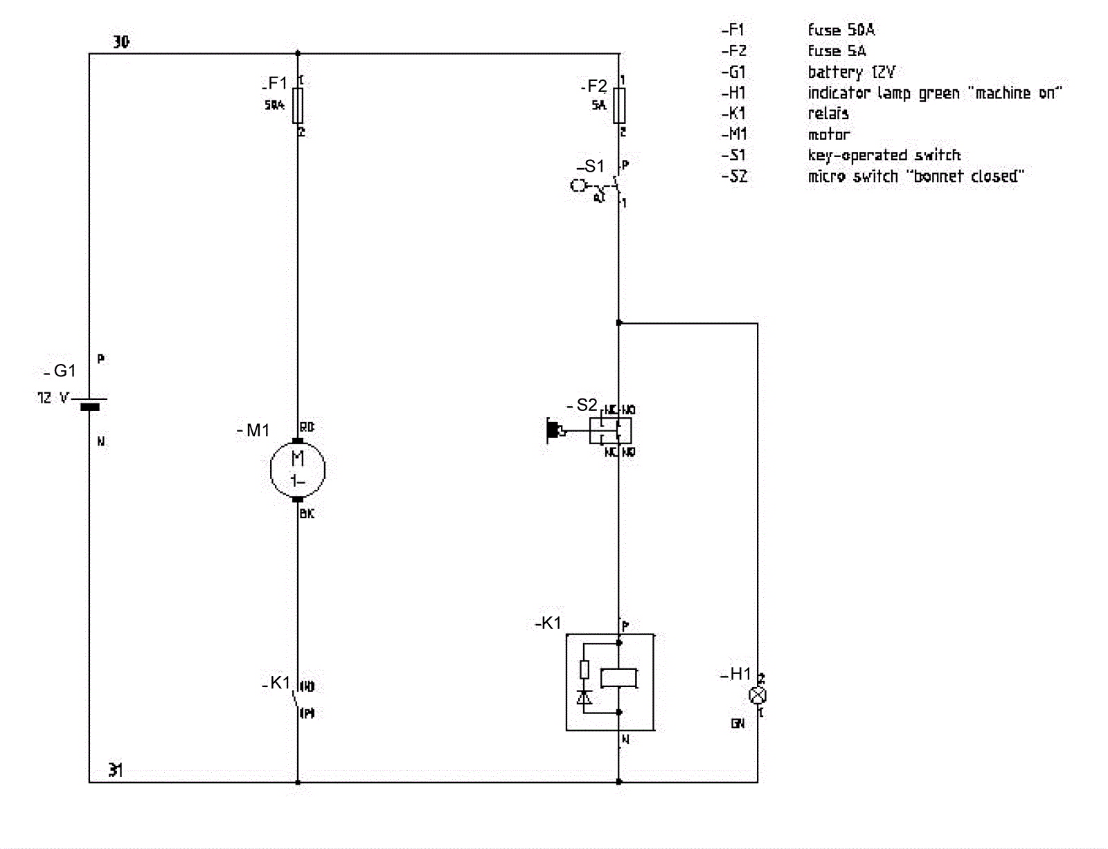
Circuit Assembly
Click to enlarge