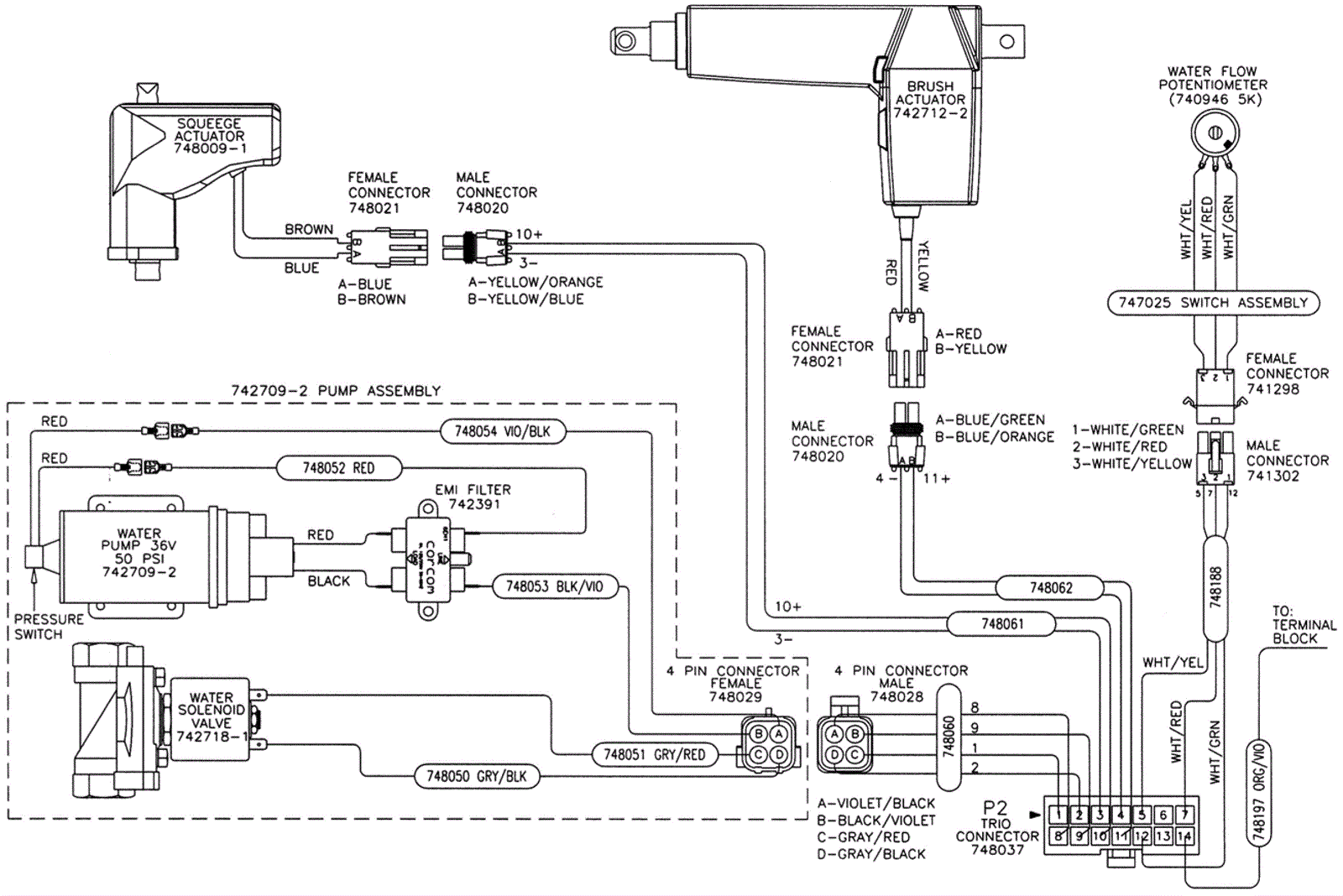
P2 Trio Connections Diagram
Click to enlarge