| # | Part | Description | Price | Req | Notes | Availability | 
|---|
          
            
            
                
                  
                  
                  
				       
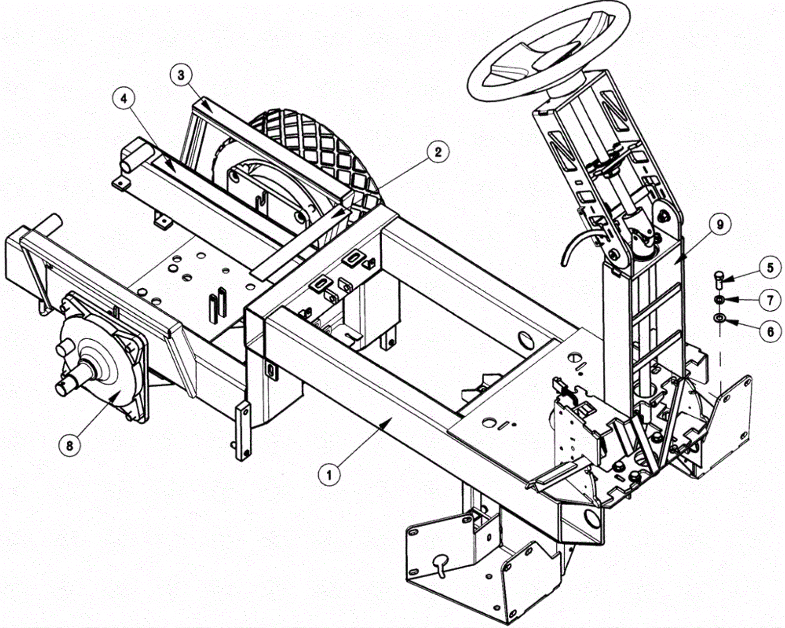
				      1 | 174-8694 | Mainframe weldment | Call for price | 1 |  | usually ships 1-5 days | 2 | 174-8705 | 9 1/2 inch friction strip | $2.95 | 1 |  | usually ships 1-5 days | 3 | 174-8706 | 14 1/4 inch friction strip | $2.95 | 1 |  | usually ships 1-5 days | 4 | 174-8707 | 18 inch friction strip | $3.64 | 1 |  | usually ships 1-5 days | 5 | 999-0038 | Bolt 3/8-16 x 1 hex head grade 5 zinc plated | $1.87 | 4 |  | ships same day | 6 | 999-0120 | Washer 3/8 SAE flat | $0.99 | 4 |  | ships same day | 7 | 999-0034 | Washer 3/8 split lock plain finish | $1.82 | 4 |  | ships same day | 8 | 174-8685 | Rear axle assembly | $1,802.44 | 1 |  | usually ships 1-5 days | 9 | 174-8686 | Steering assembly | $1,969.11 | 1 |  | usually ships 1-5 days |