| # | Part | Description | Price | Req | Notes | Availability |
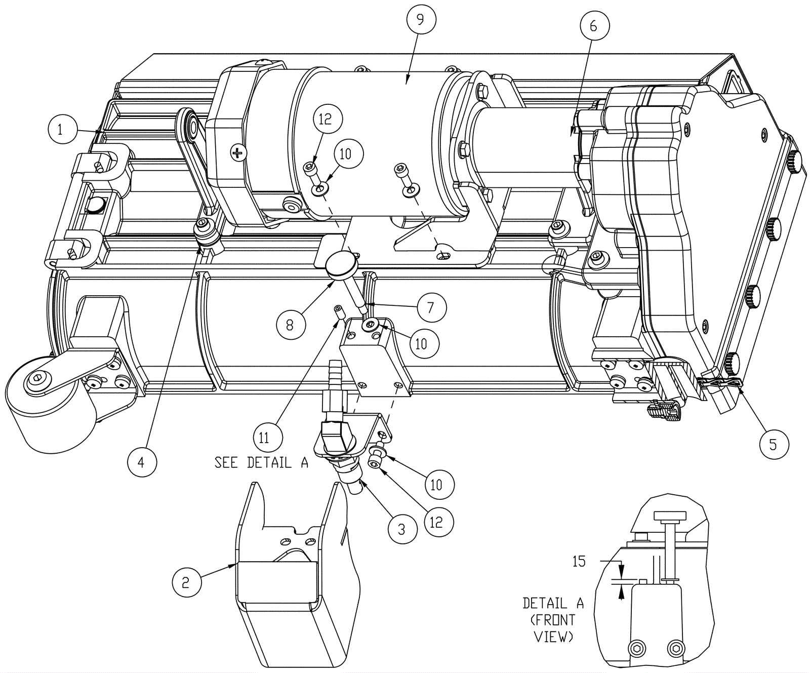
1 |
174-7243
|
20 inch cylindrical scrubdeck |
$1,514.03
|
1 |
|
usually ships 9-13 days |
2 |
274-6534
|
Spray jet cover weldment |
$91.07
|
1 |
|
usually ships 1-5 days |
3 |
274-5537
|
Spray jet assembly |
$66.94
|
1 |
|
usually ships 9-13 days |
4 |
174-7244
|
Deck mount spacer |
Call for price
|
1 |
|
usually ships 9-13 days |
5 |
274-0214
|
Drag chain assembly |
$9.56
|
1 |
|
usually ships 1-5 days |
6 |
274-5608
|
Coupler assembly |
$72.17
|
1 |
|
usually ships 1-5 days |
7 |
274-1793
|
Pin |
$39.36
|
1 |
|
usually ships 1-5 days |
8 |
374-1876
|
Thumb screw knob |
$1.49
|
1 |
|
usually ships 1-5 days |
9 |
174-7245
|
Brush motor assembly |
$744.79
|
1 |
|
usually ships 9-13 days |
10 |
999-0335
|
Washer 1/4 x 5/8 SAE flat stainless steel |
$0.99
|
7 |
|
ships same day |
11 |
374-1257
|
Screw M6 x 12 socket cup point stainless steel |
$1.11
|
1 |
|
usually ships 1-5 days |
12 |
999-1647
|
Screw M6-1 x 16mm socket head stainless steel |
$1.39
|
6 |
|
ships same day |