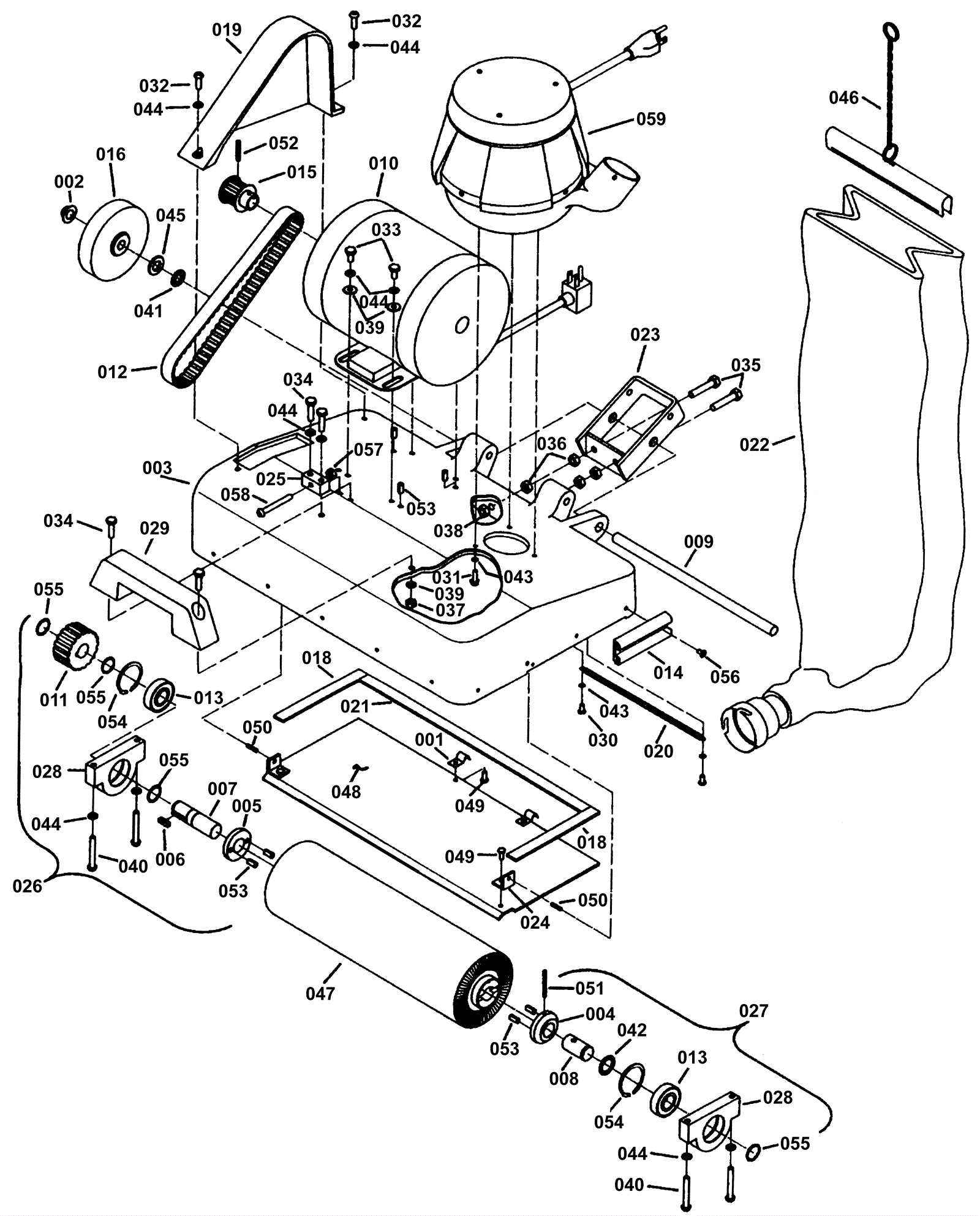
# | Part | Description | Price | Req | Notes | Availability |
001 |
174-0855
|
Cord clamp |
$1.00
|
2 |
|
usually ships 1-5 days |
002 |
174-3149
|
Hub cap |
$1.48
|
2 |
|
usually ships 9-13 days |
003 |
174-0886
|
Housing |
$492.21
|
1 |
|
usually ships 1-5 days |
004 |
174-0887
|
Idler drive plate |
$14.32
|
1 |
|
usually ships 9-13 days |
005 |
174-0888
|
Drive plate |
Call for price
|
1 |
|
usually ships 1-5 days |
006 |
174-0889
|
Key square |
$2.09
|
1 |
|
usually ships 9-13 days |
007 |
174-0890
|
Drive shaft |
$20.83
|
1 |
|
usually ships 1-5 days |
008 |
174-0891
|
Idler shaft |
$14.32
|
1 |
|
usually ships 1-5 days |
009 |
174-0892
|
Axle |
Call for price
|
1 |
|
usually ships 1-5 days |
010 |
174-0893
|
Motor 1/2 hp 115 volts |
Call for price
|
1 |
|
usually ships 1-5 days |
011 |
174-0894
|
Pulley |
$69.58
|
1 |
|
usually ships 1-5 days |
012 |
174-0895
|
Belt |
$28.72
|
1 |
|
usually ships 1-5 days |
013 |
174-0896
|
Bearing |
$13.42
|
2 |
|
usually ships 1-5 days |
014 |
174-0897
|
Black bumper |
$11.08
|
1 |
|
usually ships 1-5 days |
015 |
174-0898
|
Pulley motor |
$45.32
|
1 |
|
usually ships 1-5 days |
016 |
174-0899
|
Wheel |
Call for price
|
2 |
|
usually ships 1-5 days |
018 |
174-9008
|
Rubber seal |
$1.58
|
2 |
|
usually ships 1-5 days |
019 |
174-0900
|
Belt guard |
$84.42
|
1 |
|
usually ships 1-5 days |
020 |
174-0454
|
Extension spring |
$2.00
|
1 |
|
usually ships 1-5 days |
021 |
174-0731
|
Rubber seal |
$2.27
|
1 |
|
usually ships 1-5 days |
022 |
174-0901
|
Shakeout bag |
$227.17
|
1 |
|
usually ships 9-13 days |
023 |
174-0902
|
Bracket brace assembly |
Call for price
|
1 |
|
usually ships 1-5 days |
024 |
174-0903
|
Bracket |
$24.64
|
2 |
|
usually ships 1-5 days |
025 |
174-0904
|
Adjusting block |
Call for price
|
1 |
|
usually ships 1-5 days |
026 |
174-0905
|
Bearing assembly driver |
Call for price
|
1 |
|
usually ships 1-5 days |
027 |
174-0906
|
Pillow block idle assembly |
$110.35
|
1 |
|
usually ships 1-5 days |
028 |
174-0907
|
Pillow block |
$106.58
|
2 |
|
usually ships 1-5 days |
029 |
174-2378
|
Basic handle |
$11.80
|
1 |
|
usually ships 9-13 days |
030 |
999-0321
|
Screw 10-32 x 3/8 pan head slotted zinc plated |
$0.99
|
2 |
|
ships same day |
031 |
174-2256
|
Screw 10-32 x 3/4 steel plated |
$1.08
|
3 |
|
usually ships 1-5 days |
032 |
999-0415
|
Screw 1/4-20 x 3/4 pan head slotted zinc plated |
$0.99
|
2 |
|
ships same day |
033 |
999-0020
|
Bolt 1/4-20 x 3/4 hex head grade 5 zinc plated |
$0.99
|
4 |
|
ships same day |
034 |
999-0297
|
Bolt 1/4-20 x 1 hex head stainless steel |
$2.53
|
4 |
|
ships same day |
035 |
999-0109
|
Bolt 5/16-18 x 1 1/2 hex head grade 5 zinc plated |
$0.99
|
2 |
|
ships same day |
036 |
999-0069
|
Nut 5/16-18 hex |
$0.99
|
4 |
|
ships same day |
037 |
999-0190
|
Nut 1/4-20 hex plain finish |
$0.99
|
2 |
|
ships same day |
038 |
999-0211
|
Nut 5/16-18 hex nylon insert lock zinc plated |
$0.99
|
2 |
|
usually ships 16-20 days |
039 |
999-0016
|
Washer 1/4 flat plain finish |
$0.99
|
4 |
|
ships same day |
040 |
174-5226
|
Screw 1/4-20 x 1 3/4 socket cap steel plated |
$2.51
|
4 |
|
usually ships 1-5 days |
041 |
174-5159
|
Washer 33/64 x 1/64 wave |
$1.10
|
2 |
|
usually ships 9-13 days |
042 |
174-5229
|
Washer 5/8 .65 x .86 x .01 wave |
$1.08
|
1 |
|
usually ships 1-5 days |
043 |
174-5259
|
Washer #10 helical |
$1.08
|
5 |
|
usually ships 9-13 days |
044 |
999-0060
|
Washer 1/4 split lock plain finish |
$0.99
|
12 |
|
ships same day |
045 |
174-3093
|
Washer .56 x 1 flat |
$1.08
|
2 |
|
usually ships 9-13 days |
046 |
174-0908
|
Bag clamp assembly |
$26.33
|
1 |
|
usually ships 1-5 days |
047a |
174-0909
|
Brush assembly union mix complete (OBSOLETE) |
Call for price
|
1 |
|
usually ships 9-13 days |
047b |
174-0910
|
Brush assembly nylon complete (OBSOLETE) |
Call for price
|
1 |
|
usually ships 9-13 days |
048 |
174-0911
|
Clean out door assembly |
$86.85
|
1 |
|
usually ships 9-13 days |
049 |
174-0912
|
Tube rivet |
$1.05
|
4 |
|
usually ships 1-5 days |
050 |
174-0913
|
Rollpin .156 x .62 |
$1.08
|
2 |
|
usually ships 9-13 days |
051 |
174-0914
|
Rollpin .156 x 1.5 |
$1.05
|
1 |
|
usually ships 1-5 days |
052 |
174-0915
|
Rollpin .187 x 1 |
$1.08
|
1 |
|
usually ships 1-5 days |
053 |
174-0916
|
Rollpin .25 x .50 |
$1.05
|
8 |
|
usually ships 1-5 days |
054 |
174-0917
|
Retaining ring int 1.62 |
$1.67
|
2 |
|
usually ships 1-5 days |
055 |
174-0283
|
3/4 retaining ring |
$4.41
|
3 |
|
ships same day |
056 |
174-5108
|
Rivet 3/16 x 1/4 pop |
$1.08
|
17 |
|
usually ships 1-5 days |
057 |
999-0190
|
Nut 1/4-20 hex plain finish |
$0.99
|
1 |
|
ships same day |
058 |
999-0344
|
Bolt 1/4-20 x 1 1/2 hex head plain finish |
$0.99
|
1 |
|
ships same day |
059 |
174-0918
|
Blower assembly 115 volt |
Call for price
|
1 |
|
usually ships 1-5 days |