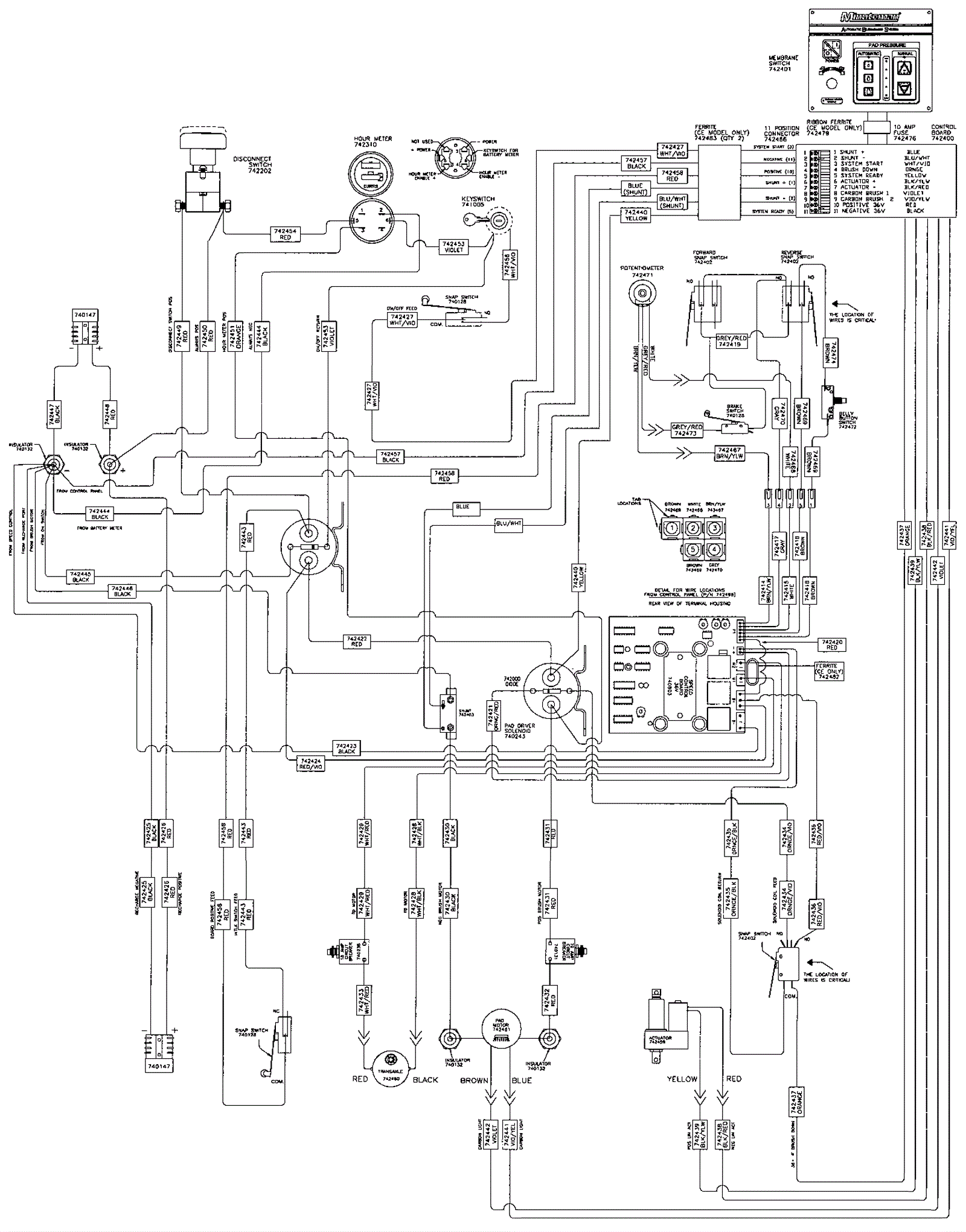
Wiring Diagram - Main Harness
Click to enlarge