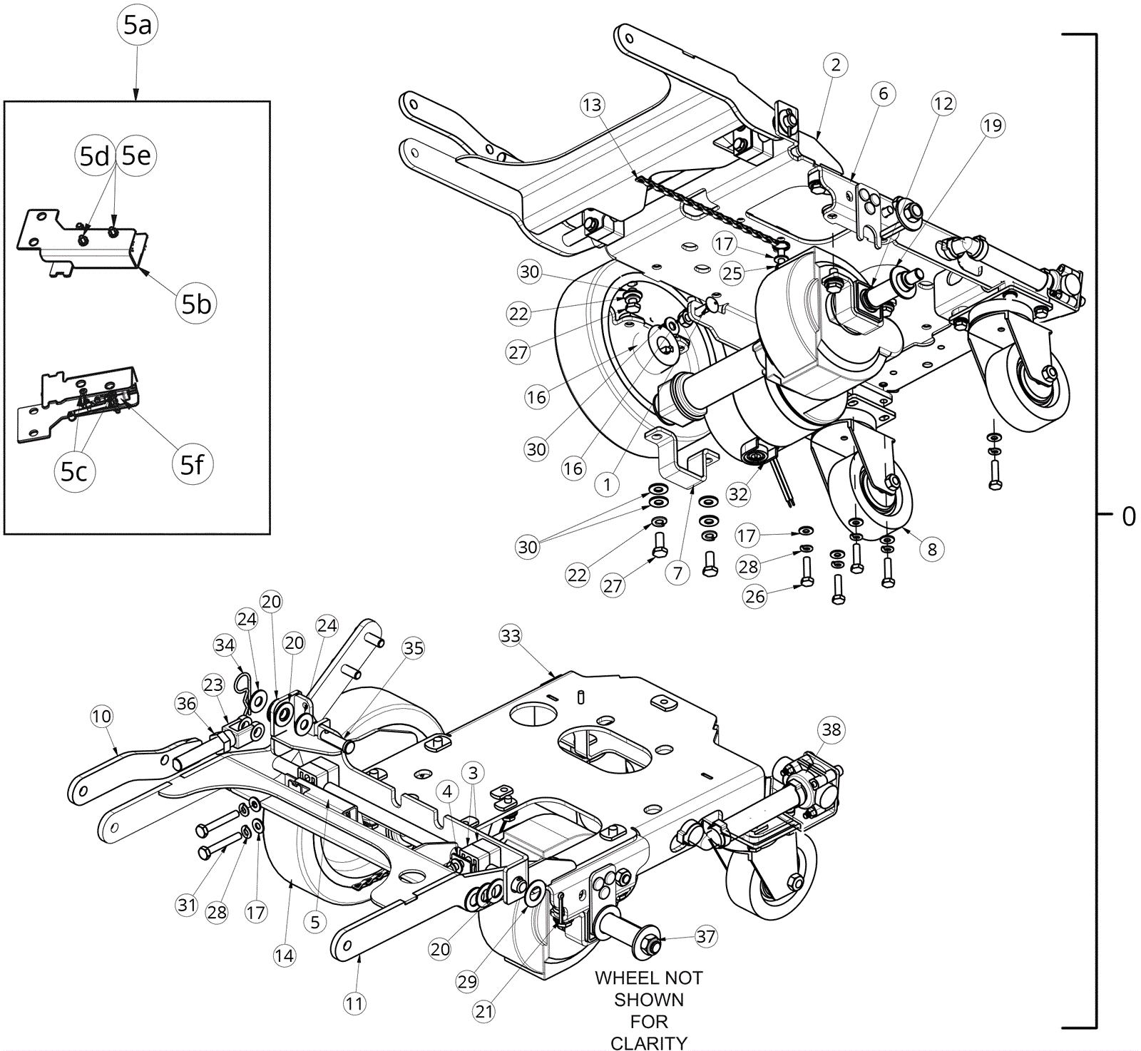
| # | Part | Description | Price | Req | Notes | Availability |
0 |
174-3886
|
Cylindrical chassis assembly |
$1,397.94
|
1 |
(includes 1-38) |
usually ships 9-13 days |
1 |
999-0252
|
Screw 5/16-18 x 1 carriage head grade 5 zinc |
$0.99
|
2 |
|
ships same day |
2 |
174-8238
|
Main frame weldment |
$239.99
|
1 |
|
usually ships 1-5 days |
3 |
174-8243
|
Bearing block |
$3.30
|
4 |
|
usually ships 9-13 days |
4 |
174-8244
|
Bearing block plate |
$1.38
|
1 |
|
usually ships 9-13 days |
5a |
174-8246
|
Deck switch assembly |
$42.64
|
1 |
(includes 5b-5f) |
usually ships 1-5 days |
5b |
274-2017
|
BEARING BLOCK/SWITCH PLATE |
$8.42
|
1 |
|
usually ships 1-5 days |
5c |
999-1059
|
Screw 4-40 x 3/4 pan head phillips zinc plated |
$0.99
|
1 |
|
ships same day |
5d |
999-0408
|
Nut 4-40 plain machine screw |
$0.99
|
1 |
|
ships same day |
5e |
999-0479
|
Washer #4 internal star lock zinc plated |
$0.99
|
1 |
|
ships same day |
5f |
174-8264
|
Switch assembly (with pack conduit) |
$29.58
|
1 |
|
usually ships 9-13 days |
6 |
274-6110
|
Transaxle base mount bracket |
$26.25
|
2 |
|
usually ships 1-5 days |
7 |
274-1704
|
Transaxle mount bracket |
$9.66
|
2 |
|
usually ships 1-5 days |
8 |
174-1523
|
3 1/2 inch caster |
$31.43
|
2 |
|
ships same day |
10 |
174-7238
|
Upper lift arm weldment |
$46.44
|
1 |
|
usually ships 9-13 days |
11 |
174-9184
|
Deck lift weldment |
$154.03
|
1 |
|
usually ships 9-13 days |
12 |
174-7157
|
Retaining ring |
$1.08
|
2 |
|
usually ships 1-5 days |
13 |
174-7158
|
8 inch drag chain stainless steel |
$4.44
|
1 |
|
usually ships 1-5 days |
14 |
274-7909
|
8.5 inch tire foam filled |
$241.05
|
2 |
|
usually ships 9-13 days |
15 |
174-7160
|
Square keyway |
$3.92
|
2 |
|
usually ships 9-13 days |
16 |
999-0211
|
Nut 5/16-18 hex nylon insert lock zinc plated |
$0.99
|
4 |
|
ships same day |
17 |
999-0335
|
Washer 1/4 x 5/8 SAE flat stainless steel |
$0.99
|
13 |
|
ships same day |
18 |
999-0187
|
Washer 1/2 flat plain finish |
$0.99
|
2 |
|
ships same day |
19 |
999-0588
|
Washer 7/8 flat stainless steel |
$11.44
|
2 |
|
ships same day |
20 |
999-0566
|
Washer 1/2 flat nylon |
$0.99
|
7 |
|
ships same day |
21 |
174-1039
|
Cotter pin 1/8 x 1 |
$1.08
|
1 |
|
usually ships 9-13 days |
22 |
174-8250
|
Washer helical 5/16 stainless steel |
$1.08
|
8 |
|
usually ships 1-5 days |
23 |
174-7162
|
Yoke clevis with pin |
$27.72
|
1 |
|
usually ships 1-5 days |
24 |
999-1363
|
Washer 7/8 flat stainless steel |
$3.48
|
2 |
|
ships same day |
25 |
999-0334
|
Bolt 1/4-20 x 3/4 inch hex head stainless steel |
$3.85
|
1 |
|
usually ships 16-20 days |
26 |
999-0297
|
Bolt 1/4-20 x 1 hex head stainless steel |
$2.53
|
8 |
|
ships same day |
27 |
999-0556
|
Bolt 5/16-18 x 3/4 hex head stainless steel |
$0.99
|
8 |
|
ships same day |
28 |
999-0632
|
Washer 1/4 split lock stainless steel |
$0.99
|
12 |
|
ships same day |
29 |
174-0588
|
Washer 9/16 x 1-1/16 x 3/64 flat pleated |
$1.08
|
1 |
|
usually ships 9-13 days |
30 |
174-8251
|
Washer flat stainless steel |
$1.08
|
14 |
|
ships same day |
31 |
999-1064
|
Bolt 1/4-20 x 1 3/4 hex head cap grade 5 zinc plated |
$0.99
|
4 |
|
ships same day |
32 |
274-9506
|
24v transaxle |
$898.36
|
1 |
|
usually ships 1-5 days |
33 |
174-2234
|
Cord clip |
$3.87
|
1 |
|
usually ships 1-5 days |
34 |
174-0200
|
Cotter pin |
$1.08
|
1 |
|
usually ships 9-13 days |
35 |
174-5862
|
Clevis pin |
$3.43
|
1 |
|
usually ships 9-13 days |
36 |
999-0714
|
Nut 1/2-20 hex jam stainless steel |
$1.25
|
1 |
|
ships same day |
37 |
999-1122
|
Nut M12-1.75 hex nylon insert lock stainless steel |
$3.47
|
2 |
|
ships same day |
38 |
174-3885
|
Solution valve assembly |
$113.07
|
1 |
|
usually ships 9-13 days |