| # | Part | Description | Price | Req | Notes | Availability |
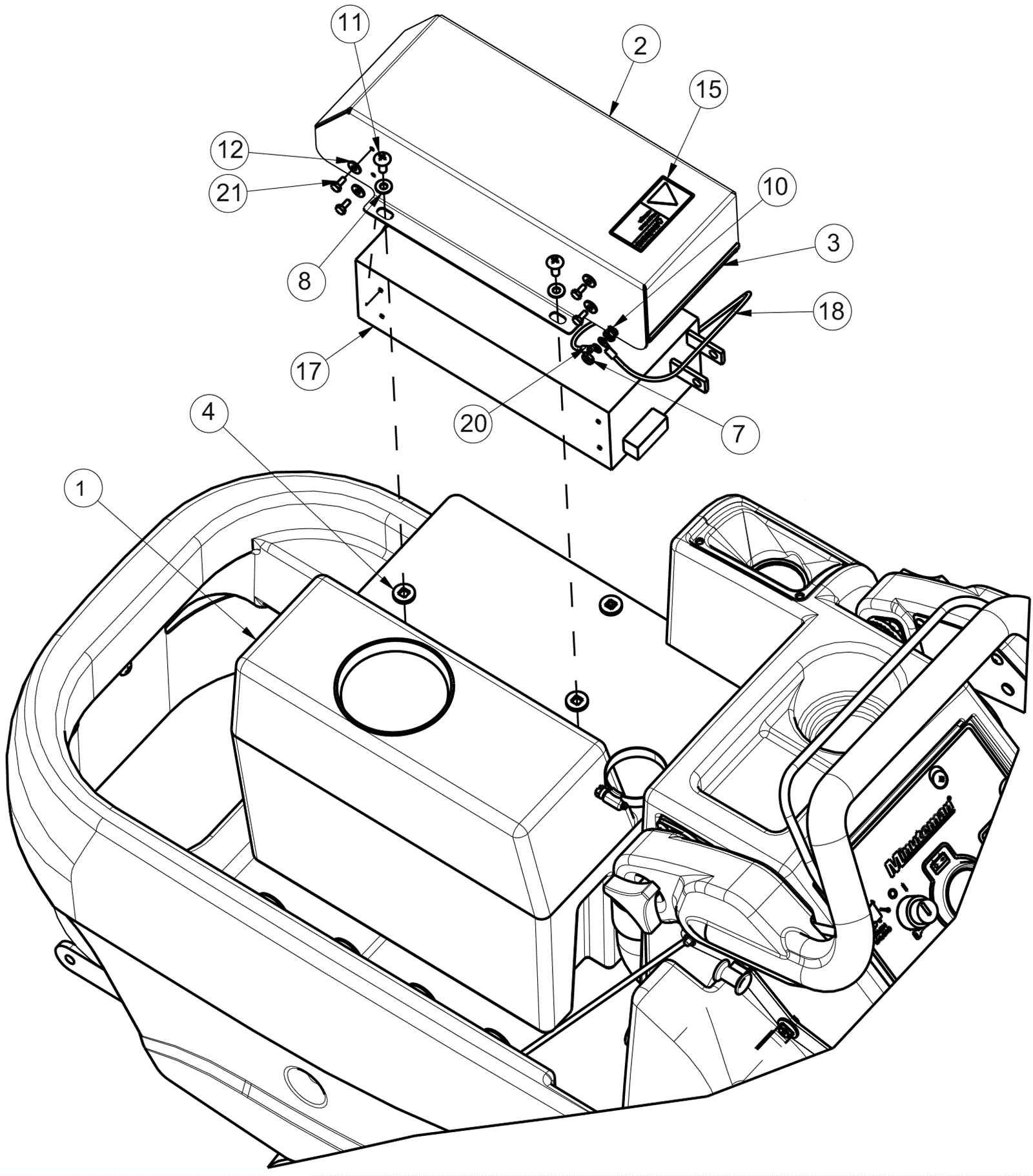
1 |
274-7312
|
WEIGHT BOX, E1720E |
$134.45
|
1 |
|
usually ships 1-5 days |
2 |
174-3878
|
Power supply mount bracket |
$101.62
|
1 |
|
usually ships 9-13 days |
3 |
174-3879
|
Edge trim |
$1.05
|
1 |
|
usually ships 9-13 days |
4 |
374-1620
|
WSR RUBBER .312SQ.75X.12 |
$1.38
|
3 |
|
usually ships 1-5 days |
5 |
174-8254
|
Hose clamp |
$1.38
|
2 |
|
ships same day |
6 |
999-0616
|
Screw 3/8-16 x 5/8 socket head alloy plain finish |
$0.99
|
2 |
|
ships same day |
7 |
999-0460
|
Nut 10-32 hex |
$0.99
|
2 |
|
ships same day |
8 |
999-0335
|
Washer 1/4 x 5/8 SAE flat stainless steel |
$0.99
|
4 |
|
ships same day |
9 |
999-0016
|
Washer 1/4 flat plain finish |
$0.99
|
5 |
|
ships same day |
10 |
999-0311
|
Washer #10 external star lock zinc plated |
$0.99
|
1 |
|
ships same day |
11 |
999-0567
|
Screw 1/4-20 x 5/8 pan head phillips stainless steel |
$0.99
|
3 |
|
ships same day |
12 |
999-0998
|
Washer #10 flat stainless steel |
$0.99
|
8 |
|
ships same day |
13 |
999-0267
|
Screw 10-24 x 1/2 pan head phillips zinc |
$0.99
|
2 |
|
ships same day |
14 |
999-0020
|
Bolt 1/4-20 x 3/4 hex head grade 5 zinc plated |
$0.99
|
5 |
|
ships same day |
15 |
174-3880
|
Hazard volt warning decal |
Call for price
|
1 |
|
usually ships 9-13 days |
16 |
174-5242
|
Heyco Bushing |
$1.31
|
1 |
|
usually ships 1-5 days |
17 |
274-9732
|
24POWER SUPPLY, OUTPUT 24VDC, 63A |
$1,356.97
|
1 |
|
usually ships 1-5 days |
18 |
174-3881
|
14G green/yellow 20 inch wire assembly |
$4.86
|
1 |
|
usually ships 9-13 days |
20 |
174-3882
|
14G 4 inch wire assembly |
$6.25
|
1 |
|
usually ships 9-13 days |
21 |
999-9104
|
Screw M4-.7 x 10mm hex head stainless steel |
$0.99
|
8 |
|
usually ships 1-5 days |
N/S |
174-3883
|
Twist-lock pigtail cord |
$59.36
|
1 |
|
usually ships 9-13 days |
N/S |
174-3884
|
CE connector pigtail cord |
$37.09
|
1 |
|
usually ships 9-13 days |