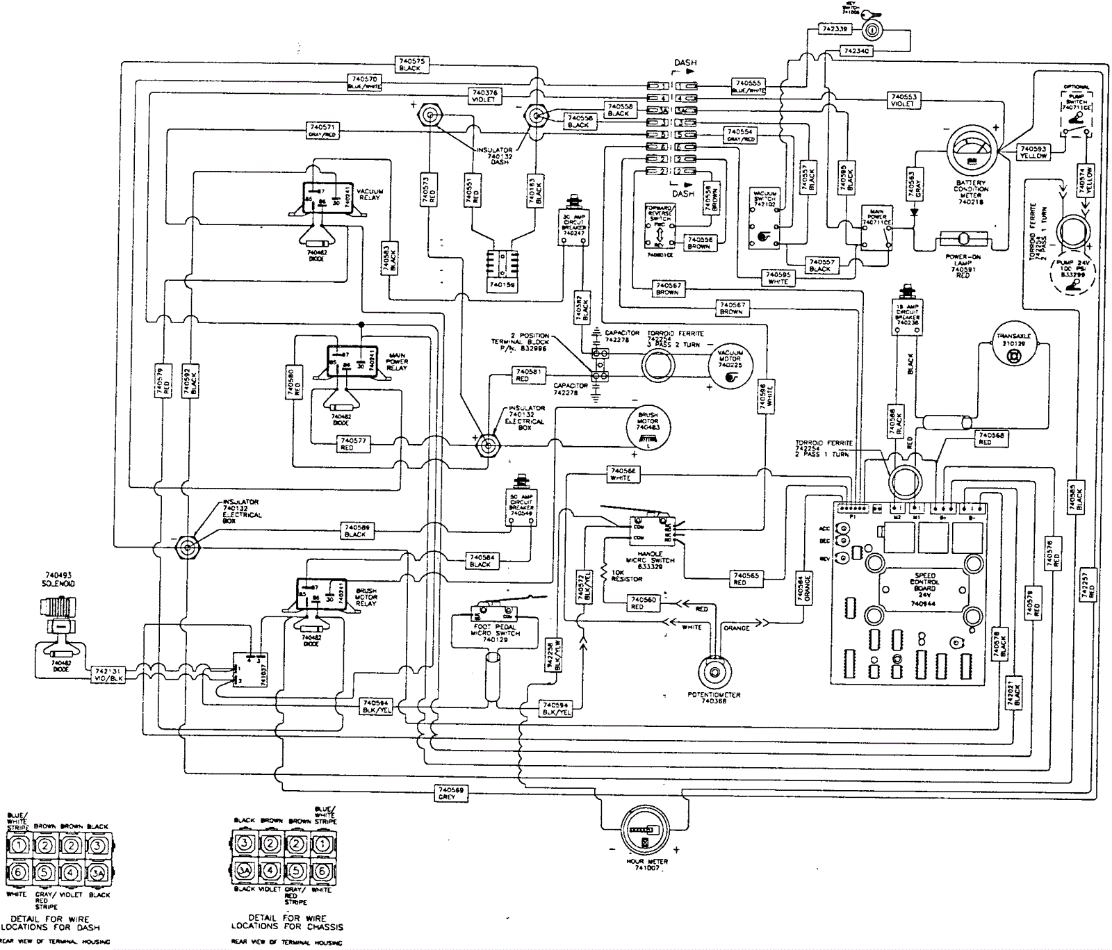
Wiring Diagram - Tranction Drive CE
Click to enlarge