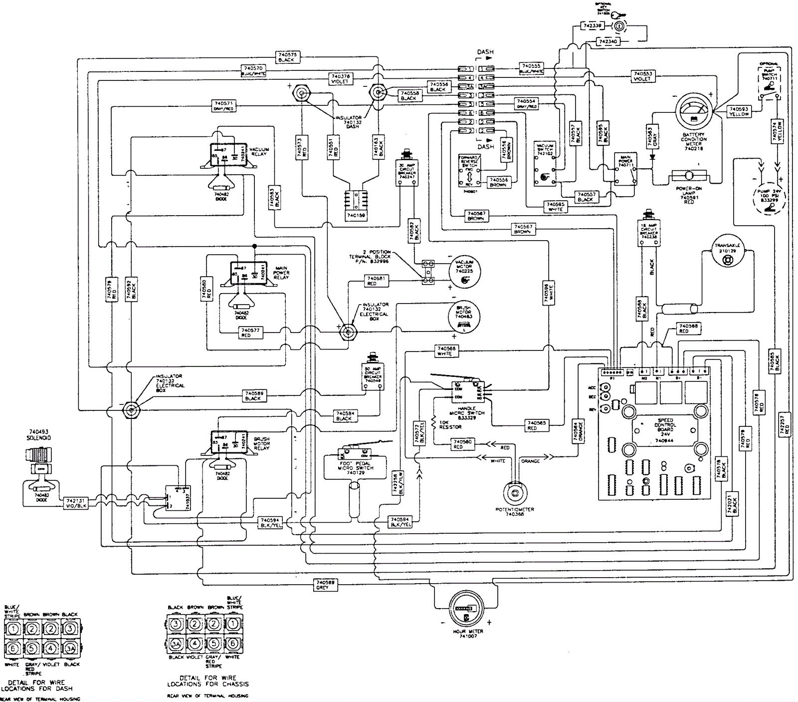
Wiring Diagram - Tranction Drive
Click to enlarge