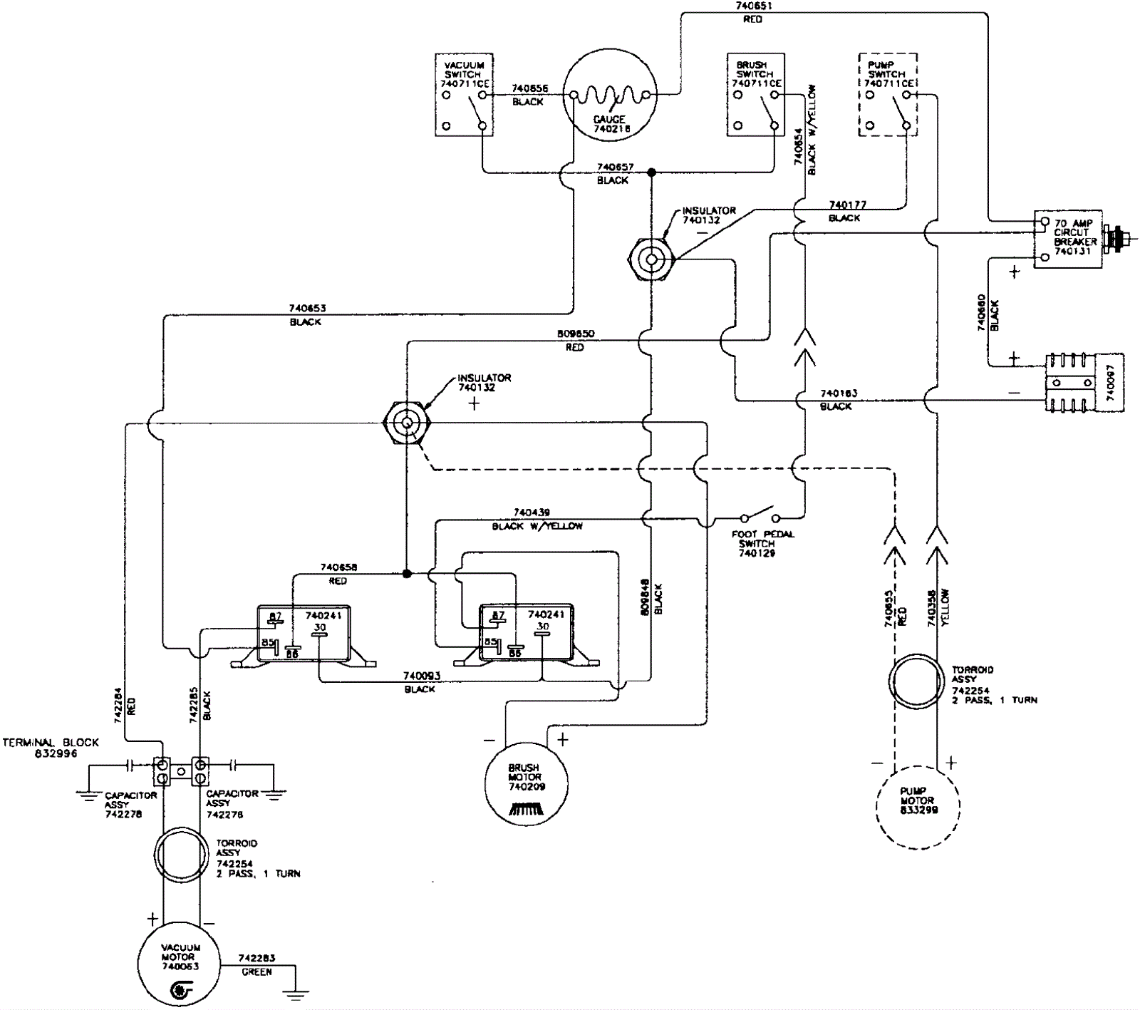
Wiring Diagram - Battery - CE Model
Click to enlarge