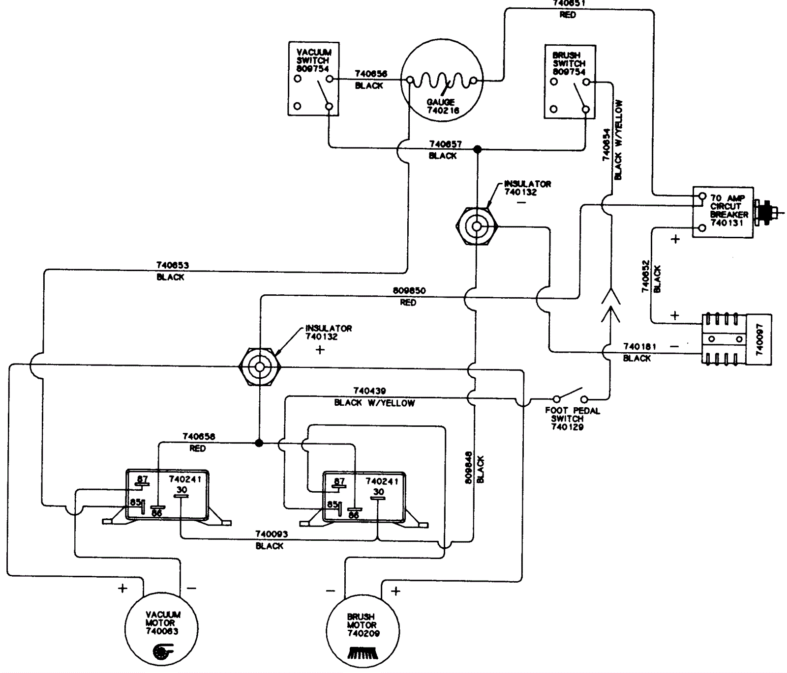
Wiring Diagram - Battery - Standard Version
Click to enlarge