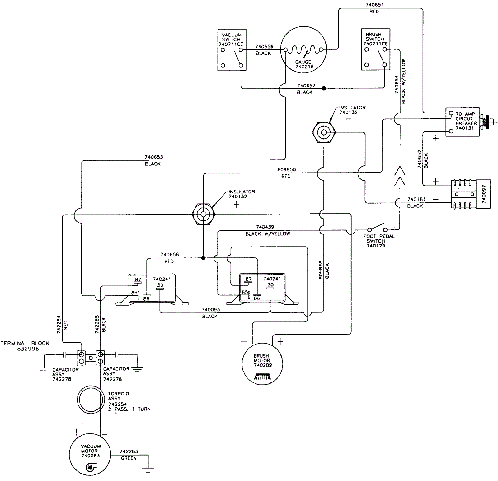
Wiring Diagram - Battery - CE Version
Click to enlarge