| # | Part | Description | Price | Req | Notes | Availability |
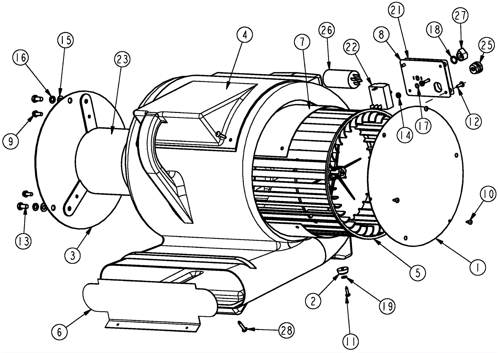
1 |
174-8004
|
Side screen housing |
$33.77
|
1 |
|
usually ships 9-13 days |
2 |
174-8009
|
Rubber grommet |
$5.78
|
2 |
|
usually ships 1-5 days |
3 |
174-8051
|
Side screen |
$36.53
|
1 |
|
usually ships 1-5 days |
4 |
174-8052
|
Blower housing (OBSOLETE) |
$352.27
|
1 |
|
usually ships 9-13 days |
5 |
N/A
|
Not available |
Call for price
|
1 |
(Blower wheel) |
usually ships 3-26 days |
6 |
174-8055
|
Mesh screen (OBSOLETE) |
$30.28
|
1 |
|
usually ships 9-13 days |
7 |
174-1418
|
Block off plate |
$14.22
|
1 |
|
usually ships 1-5 days |
8 |
174-1419
|
3 speed switch plate |
$7.59
|
1 |
|
usually ships 1-5 days |
9 |
174-8057
|
Screw 1/4 x 3/4 self drilling |
$1.08
|
3 |
|
usually ships 1-5 days |
10 |
174-5053
|
Screw 10 x 1/2 stainless steel |
$1.08
|
3 |
|
usually ships 1-5 days |
11 |
999-0565
|
Screw 10 x 3/4 pan head phillips sheet metal |
$0.99
|
2 |
|
ships same day |
12 |
174-5991
|
Screw #10 x 5/8 plated hi/low |
$1.10
|
4 |
|
usually ships 9-13 days |
13 |
999-1450
|
Bolt 5/16-18 x 5/8 hex head stainless steel |
$0.99
|
3 |
|
usually ships 1-5 days |
14 |
999-0460
|
Nut 10-32 hex |
$0.99
|
2 |
|
ships same day |
15 |
999-0024
|
Washer 5/16 flat stainless steel |
$1.34
|
3 |
|
ships same day |
16 |
999-0028
|
Washer 5/16 split lock plain finish |
$0.99
|
3 |
|
ships same day |
17 |
999-0089
|
Washer #10 internal star lock zinc plated |
$0.99
|
1 |
|
ships same day |
18 |
999-0201
|
Washer 3/8 internal star lock |
$0.99
|
1 |
|
ships same day |
19 |
174-0532
|
Washer 7/32 x 3/64 nylon |
$1.08
|
2 |
|
usually ships 9-13 days |
22a |
174-8001
|
4 position switch kit (OBSOLETE) |
$42.69
|
1 |
(3 position switch is no longer available. Customer must upgrade to this new 4 position switch kit.) (includes 22b-22f) |
usually ships 9-13 days |
22b |
174-7116
|
Switch plate |
$18.22
|
1 |
(Must purchase kit to upgrade system then you can replace parts.) |
usually ships 9-13 days |
22c |
174-7117
|
Screw |
$1.08
|
2 |
(Must purchase kit to upgrade system then you can replace parts.) |
usually ships 9-13 days |
22d |
174-7118
|
Warning decal |
$3.05
|
1 |
(Must purchase kit to upgrade system then you can replace parts.) |
usually ships 9-13 days |
22e |
174-7119
|
4 position switch (OBSOLETE) |
$25.54
|
1 |
(Must purchase kit to upgrade system then you can replace parts.) |
usually ships 9-13 days |
22f |
174-8012
|
Knob |
$5.01
|
1 |
(Must purchase kit to upgrade system then you can replace parts.) |
ships same day |
23 |
174-9010
|
Motor |
$252.49
|
1 |
|
usually ships 9-13 days |
25 |
174-8061
|
Strain relief |
$1.03
|
1 |
|
usually ships 1-5 days |
26 |
174-2921
|
Capacitor |
$16.38
|
1 |
|
ships same day |
27 |
174-8012
|
Knob |
$5.01
|
1 |
|
ships same day |
28 |
174-2209
|
Pop rivet |
$1.08
|
6 |
|
usually ships 9-13 days |
N/S |
174-8059
|
Rapid air decal |
$1.03
|
1 |
|
usually ships 1-5 days |
N/S |
174-3003
|
16/3 power cord 50 foot |
$75.64
|
1 |
(OEM) |
usually ships 9-13 days |
N/S |
991-5006
|
16/3 replacement power cord 50 foot (yellow) |
$49.95
|
1 |
(NON-OEM) |
ships same day |
N/S |
991-5002
|
16/3 extension cord 50 foot (orange) |
$54.17
|
1 |
(NON-OEM) |
ships same day |