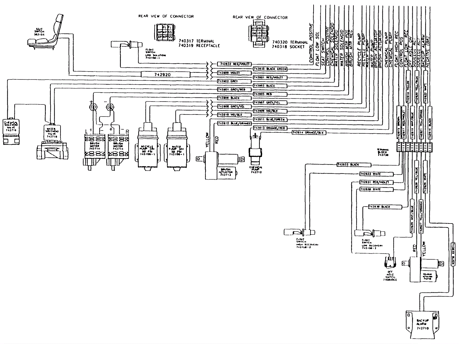
Under Frame Wiring Diagram
Click to enlarge