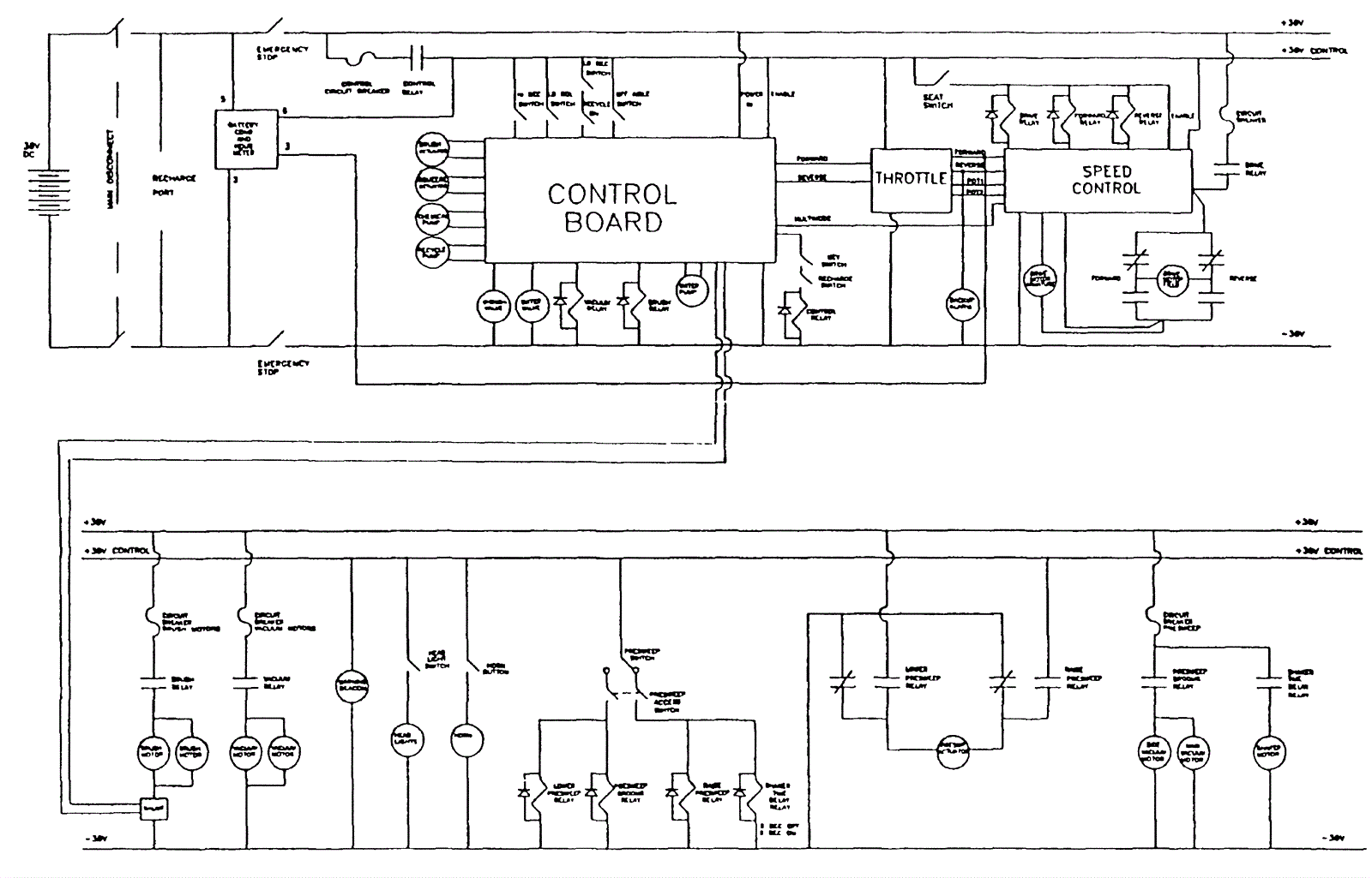
Schematic Diagram
Click to enlarge