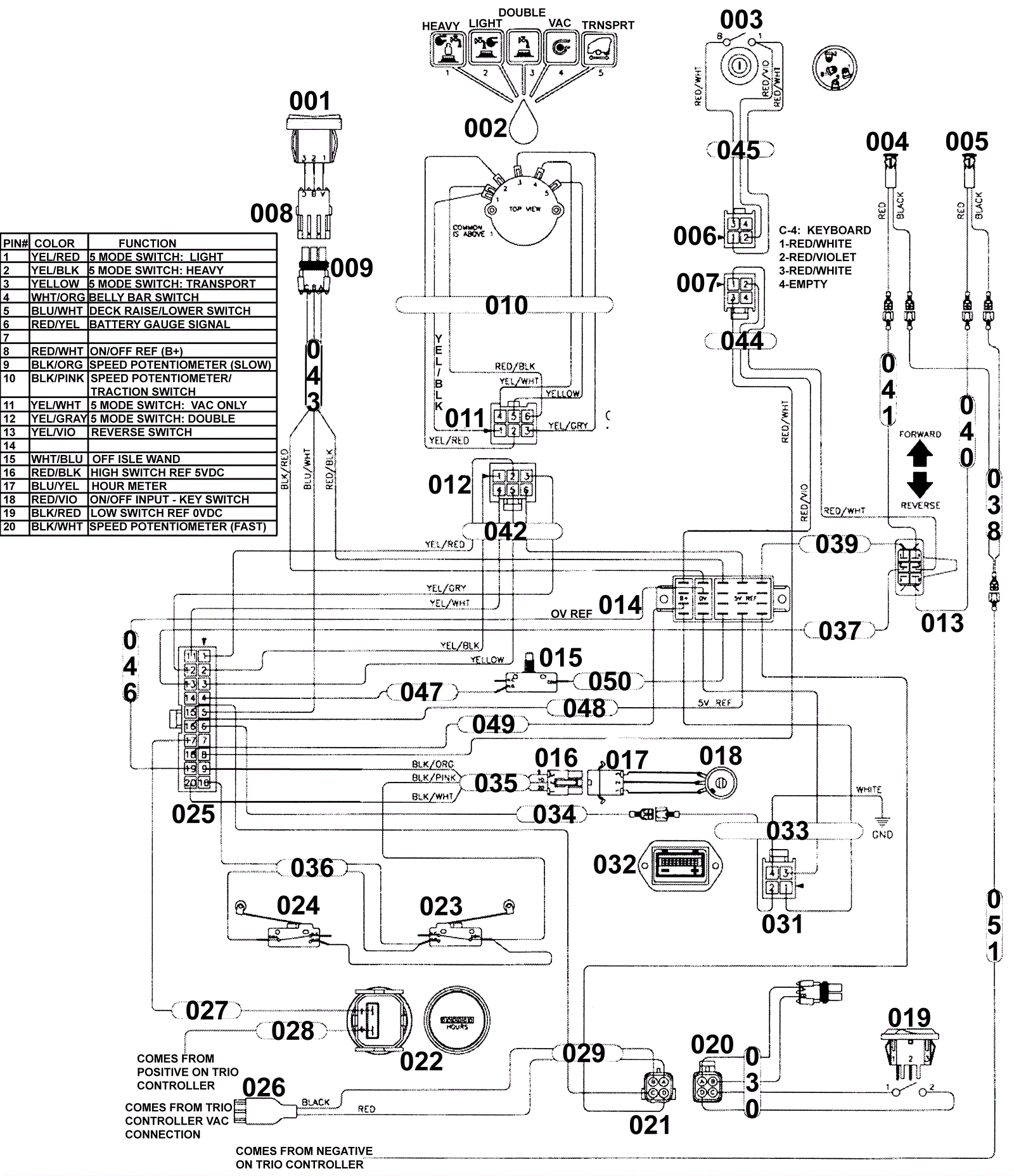
Electrical Schematics - 2
Click to enlarge