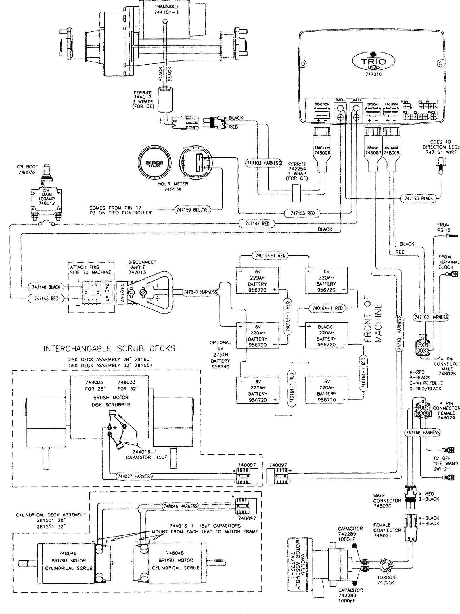
Electrical Schematics - 1
Click to enlarge