| # | Part | Description | Price | Req | Notes | Availability |
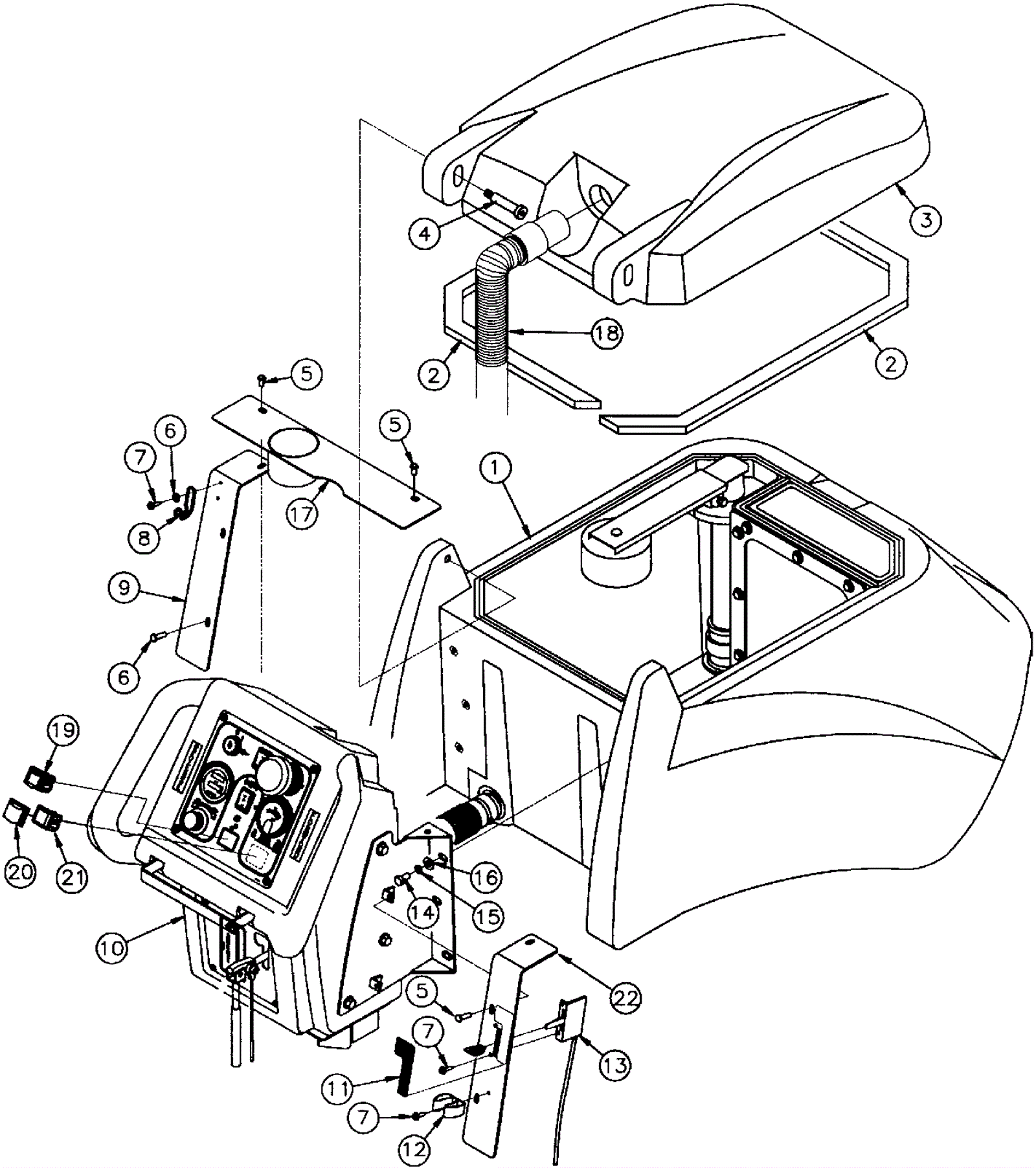
1 |
174-5825
|
Deluxe tank assembly |
$1,715.06
|
1 |
|
usually ships 1-5 days |
2 |
174-5826
|
Gasket lid |
$30.14
|
2 |
|
usually ships 9-13 days |
3 |
174-5827
|
Tank lid |
$308.63
|
1 |
|
usually ships 1-5 days |
4 |
174-5828
|
Bolt 1/2 x 2 shoulder |
$3.87
|
2 |
|
usually ships 1-5 days |
5a |
999-0113
|
Screw 1/4-20 x 1/2 truss head slotted |
$0.99
|
6 |
(new style) |
ships same day |
5b |
999-0508
|
Screw 1/4-20 x 1/2 pan head phillips zinc plated |
$0.99
|
6 |
(old style) |
ships same day |
6 |
999-0006
|
Washer 3/16 flat zinc plated |
$0.99
|
2 |
|
ships same day |
7 |
174-2286
|
Screw 10 x 1/2 |
$1.08
|
5 |
|
usually ships 1-5 days |
8 |
174-0213
|
Wire formed hook |
$27.25
|
1 |
|
usually ships 1-5 days |
9 |
174-5829
|
Dump hose bracket |
$19.13
|
1 |
|
usually ships 1-5 days |
10a |
374-0237
|
TD CONSOLE ASM |
$1,325.97
|
1 |
(new style) |
usually ships 1-5 days |
10b |
174-5830
|
Brush drive console assembly |
$438.86
|
1 |
(old style) |
usually ships 1-5 days |
10c |
999-0019
|
Bolt 1/4-20 x 5/8 hex head grade 5 zinc plated |
$0.99
|
1 |
|
ships same day |
11 |
174-5831
|
Solution control decal |
$1.61
|
1 |
|
usually ships 1-5 days |
12 |
174-5832
|
Spring clip |
$2.03
|
1 |
|
usually ships 1-5 days |
13 |
174-0777
|
Solution control cable |
$25.34
|
1 |
|
usually ships 9-13 days |
14 |
174-0525
|
Bolt 5/16 -18 3/4 hex head steel plated |
$1.08
|
6 |
|
usually ships 1-5 days |
15 |
999-0028
|
Washer 5/16 split lock plain finish |
$0.99
|
6 |
|
ships same day |
16 |
999-0024
|
Washer 5/16 flat stainless steel |
$1.34
|
6 |
|
ships same day |
17 |
174-1553
|
Weldment console back cover |
$55.30
|
1 |
|
usually ships 1-5 days |
18 |
174-0294
|
Recovery hose assembly |
$71.42
|
1 |
|
usually ships 9-13 days |
19b |
174-2042
|
Switch |
$8.46
|
1 |
(old style) |
usually ships 9-13 days |
19a |
174-0374
|
Rocker switch with splash guard |
$12.92
|
1 |
(new style) |
usually ships 9-13 days |
20 |
174-0503
|
Switch boot ce |
$3.70
|
1 |
|
usually ships 1-5 days |
21 |
174-0408
|
Momentary rocker switch CE model |
$18.67
|
1 |
|
usually ships 9-13 days |
22 |
274-2886
|
SOLUTION CONTOL BRACKET 11GA |
$13.05
|
1 |
|
usually ships 1-5 days |