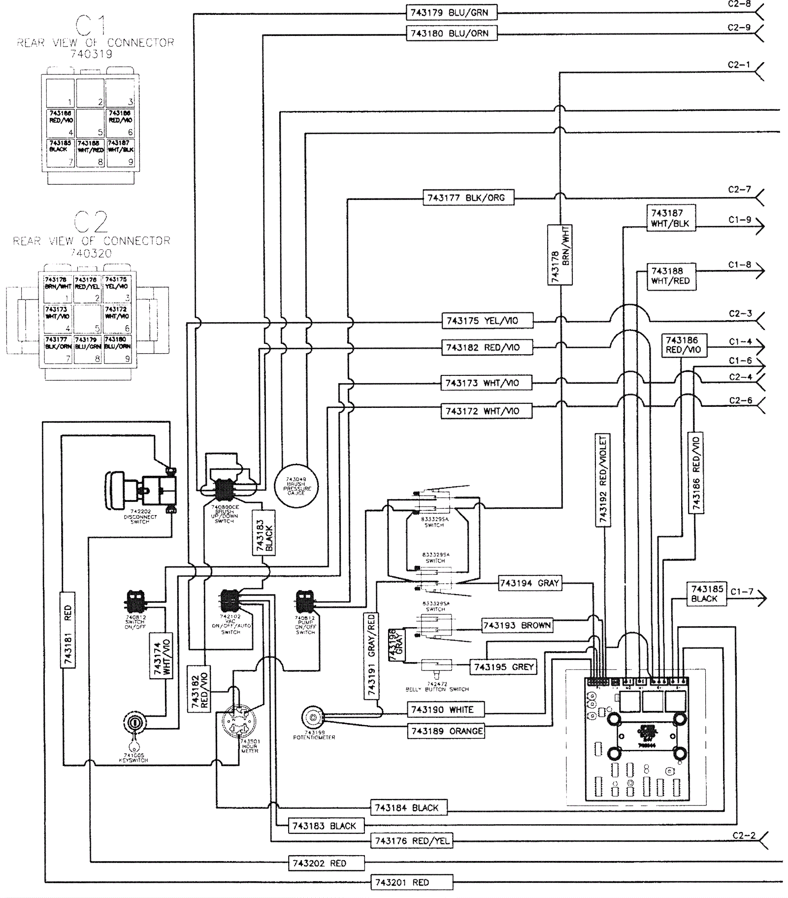
Wiring Diagram - Connectors in Console Assembly
Click to enlarge