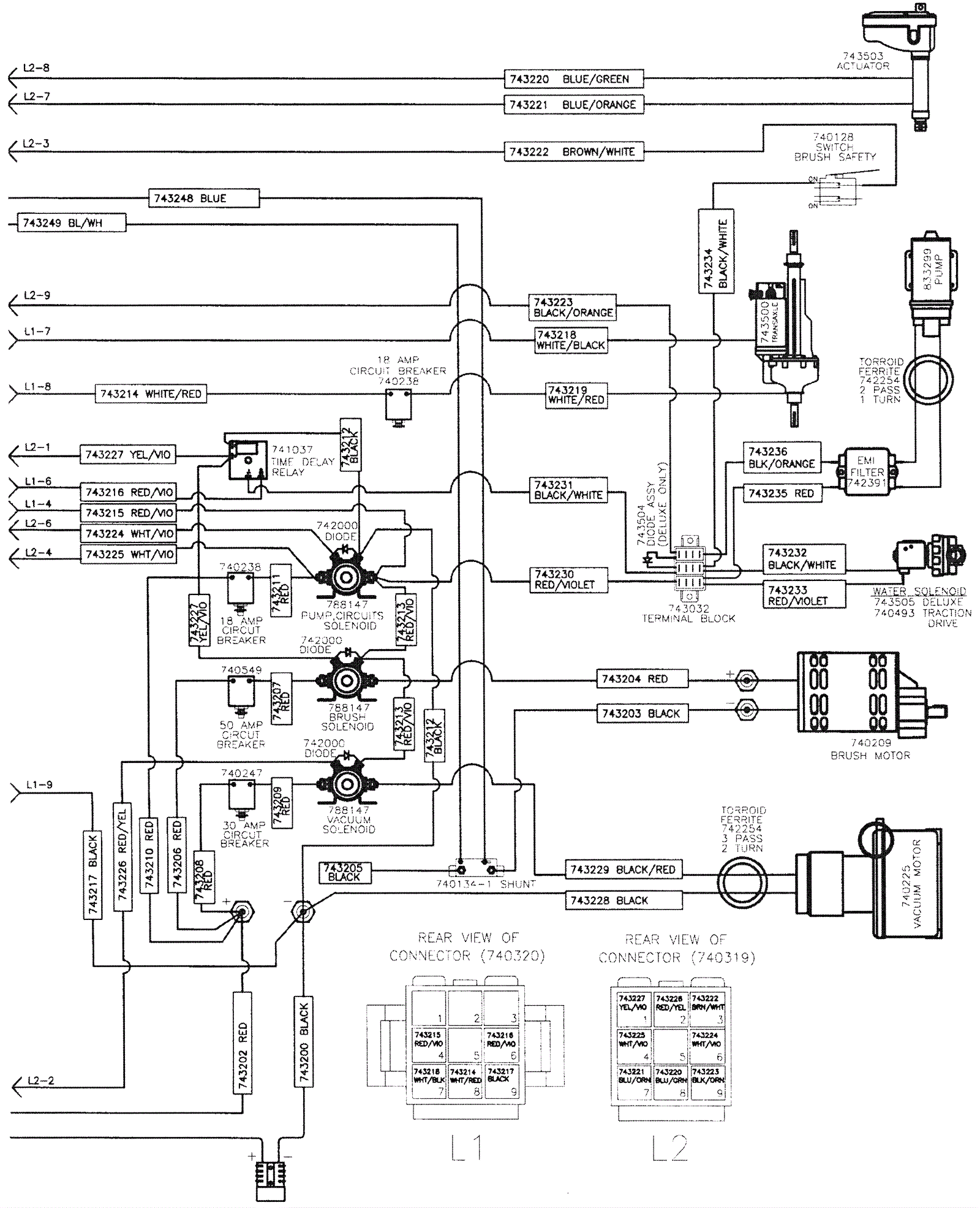
Wiring Diagram - Connectors In Lower Assembly - 2
Click to enlarge