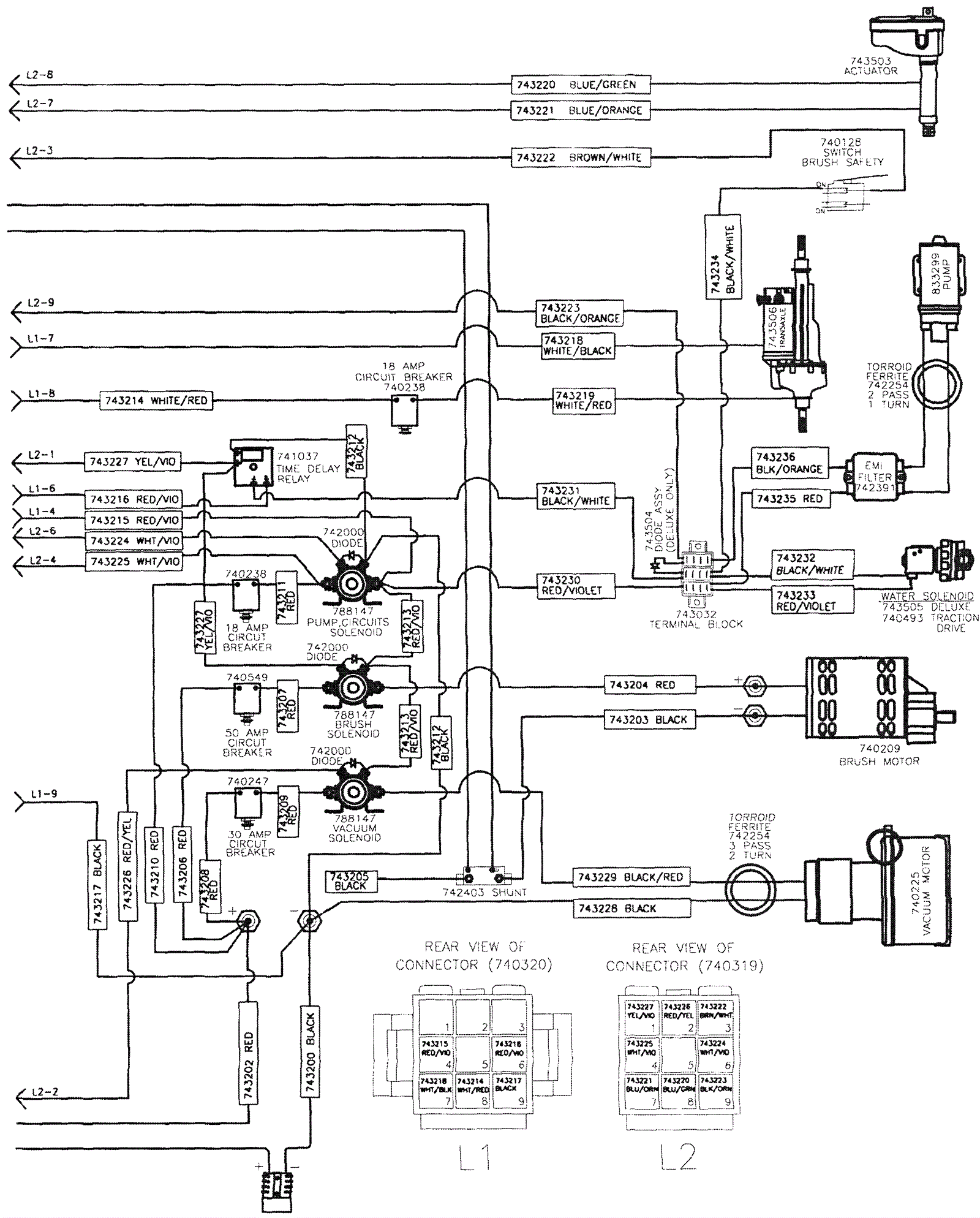
Wiring Diagram - Connectors in Lower Assembly - 1
Click to enlarge