| # | Part | Description | Price | Req | Notes | Availability |
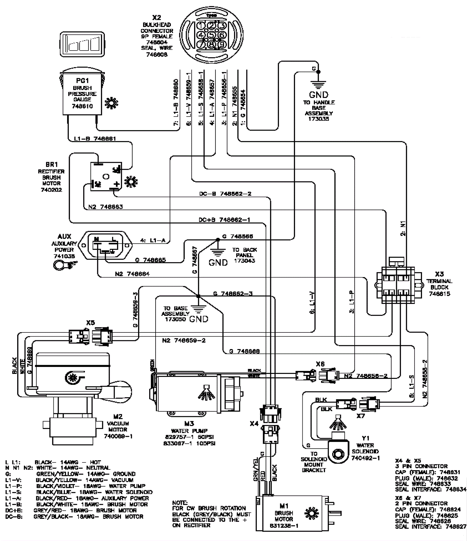
X3 |
174-3467
|
Terminal block |
$7.08
|
|
|
usually ships 1-5 days |
M2 |
174-8518
|
120V vacuum motor |
$187.86
|
|
|
usually ships 9-13 days |
M3b |
174-3458
|
115V 100psi pump assembly |
$309.03
|
|
|
usually ships 9-13 days |
AUX |
174-3086
|
Receptacle |
$6.31
|
|
|
usually ships 1-5 days |