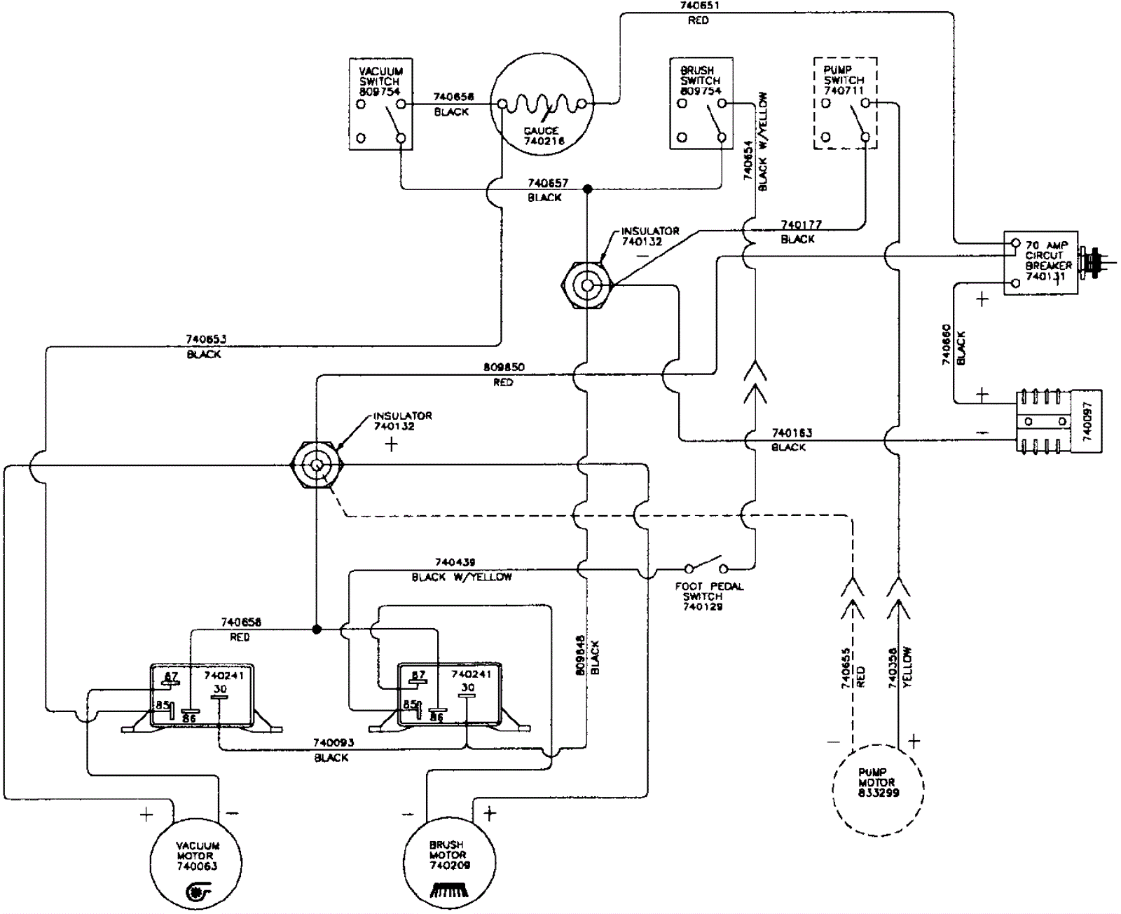
Wiring Diagram - Battery - Standard Model
Click to enlarge