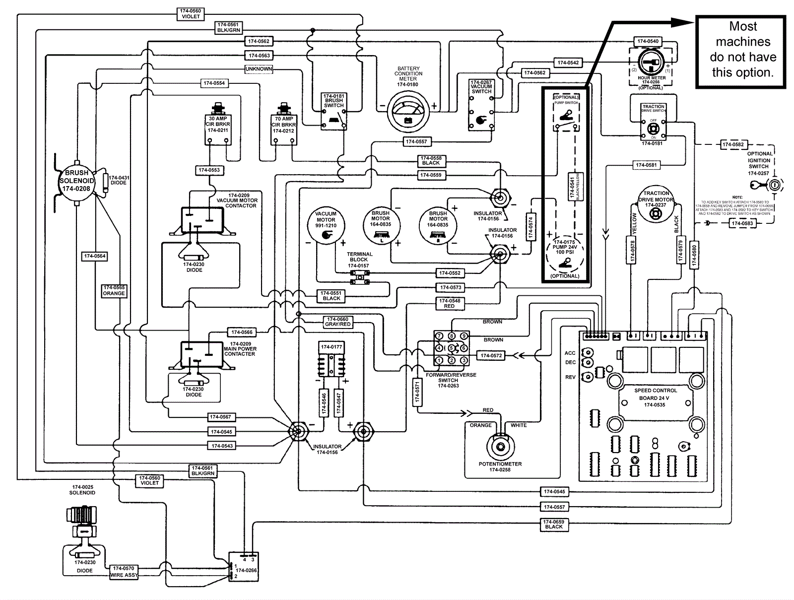
Wiring Diagram - Traction Driven (Self-Propelled)
Click to enlarge