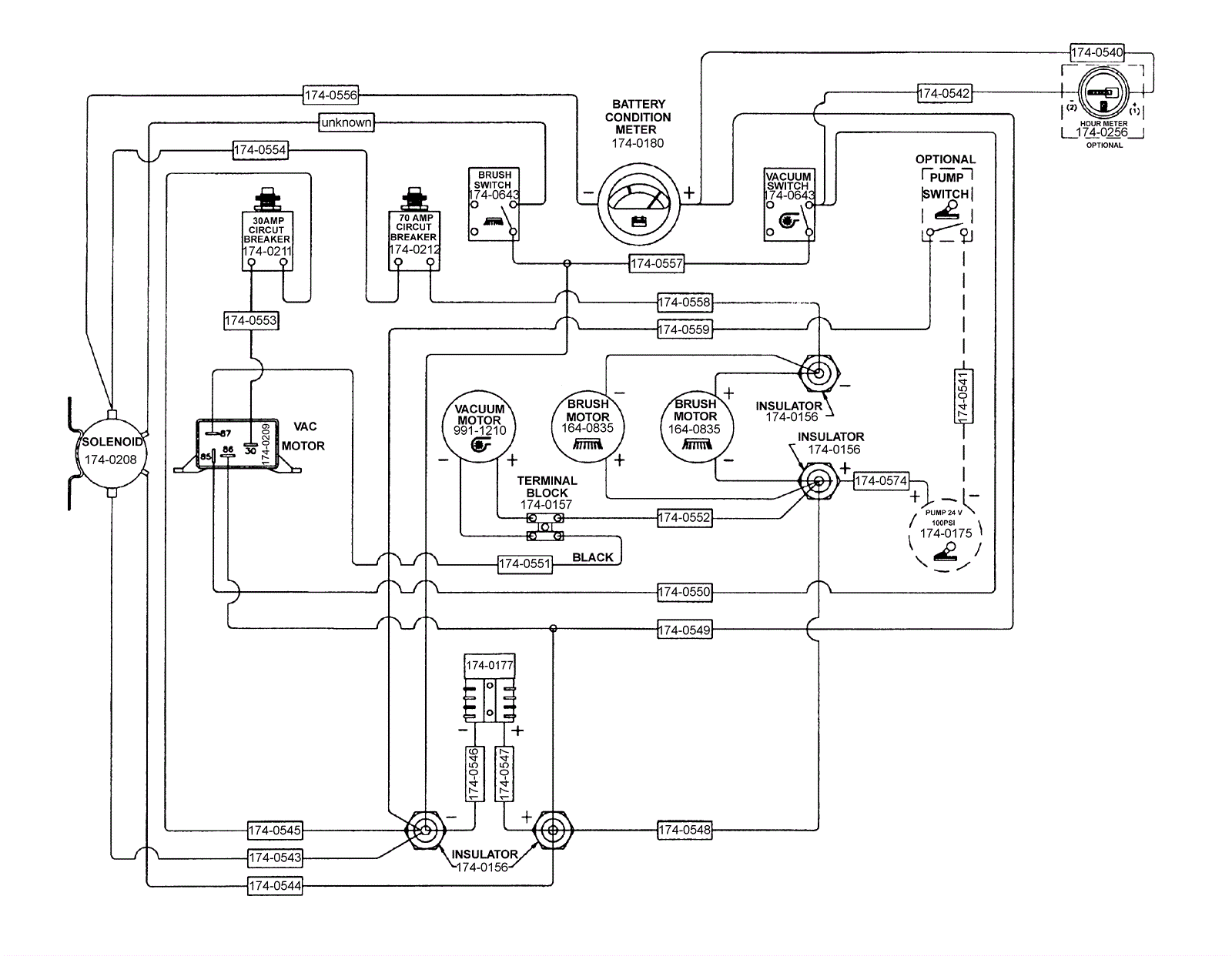
Wiring Diagram - Brush Driven (Not Self-Propelled)
Click to enlarge