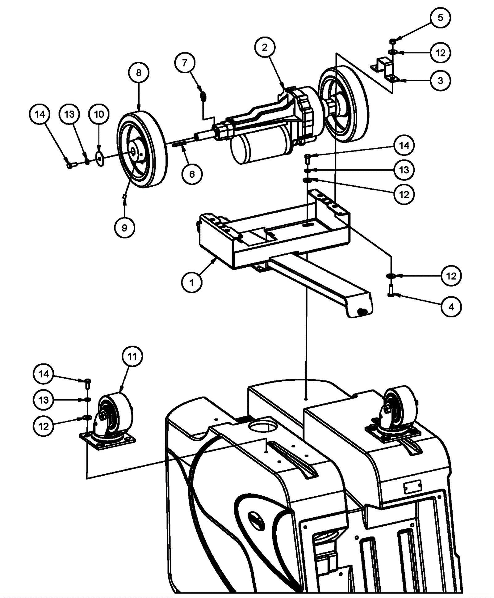
| # | Part | Description | Price | Req | Notes | Availability |
1 |
273-3080
|
Transaxle bracket assembly (OBSOLETE) |
Call for price
|
1 |
|
usually ships 14-20 days |
2 |
273-3081
|
36V transaxle assembly |
Call for price
|
1 |
|
usually ships 14-20 days |
3 |
273-3082
|
Transaxle bracket (OBSOLETE) |
Call for price
|
2 |
|
usually ships 14-20 days |
4 |
999-1857
|
Screw 5/16-18 x 1 hex cap stainless steel |
Call for price
|
4 |
|
usually ships 11-14 days |
5 |
273-3007
|
Nut 5/16-18 inches |
Call for price
|
4 |
|
usually ships 14-20 days |
6 |
273-3083
|
Key 3/16 x 1 1/2 |
Call for price
|
2 |
|
usually ships 14-20 days |
7 |
273-3084
|
3/4 inch retaining ring |
Call for price
|
2 |
|
usually ships 14-20 days |
8 |
273-3085
|
Wheel 8 x 2 inch (grey) |
Call for price
|
2 |
|
usually ships 14-20 days |
9 |
999-1452
|
Screw 1/4-20 x 3/8 set knurled point stainless steel |
Call for price
|
4 |
|
usually ships 1-5 days |
10 |
999-0024
|
Washer 5/16 flat stainless steel |
Call for price
|
2 |
|
usually ships 11-14 days |
11 |
273-3087
|
4 inch swivel caster wheel with break |
Call for price
|
2 |
|
usually ships 14-20 days |
12 |
999-0024
|
Washer 5/16 flat stainless steel |
Call for price
|
20 |
|
usually ships 11-14 days |
13 |
273-3019
|
Washer 5/16 inch lock (OBSOLETE) |
Call for price
|
14 |
|
usually ships 14-20 days |
14 |
273-3020
|
Screw 5/16-18 x 3/4 inch cap (OBSOLETE) |
Call for price
|
14 |
|
usually ships 14-20 days |