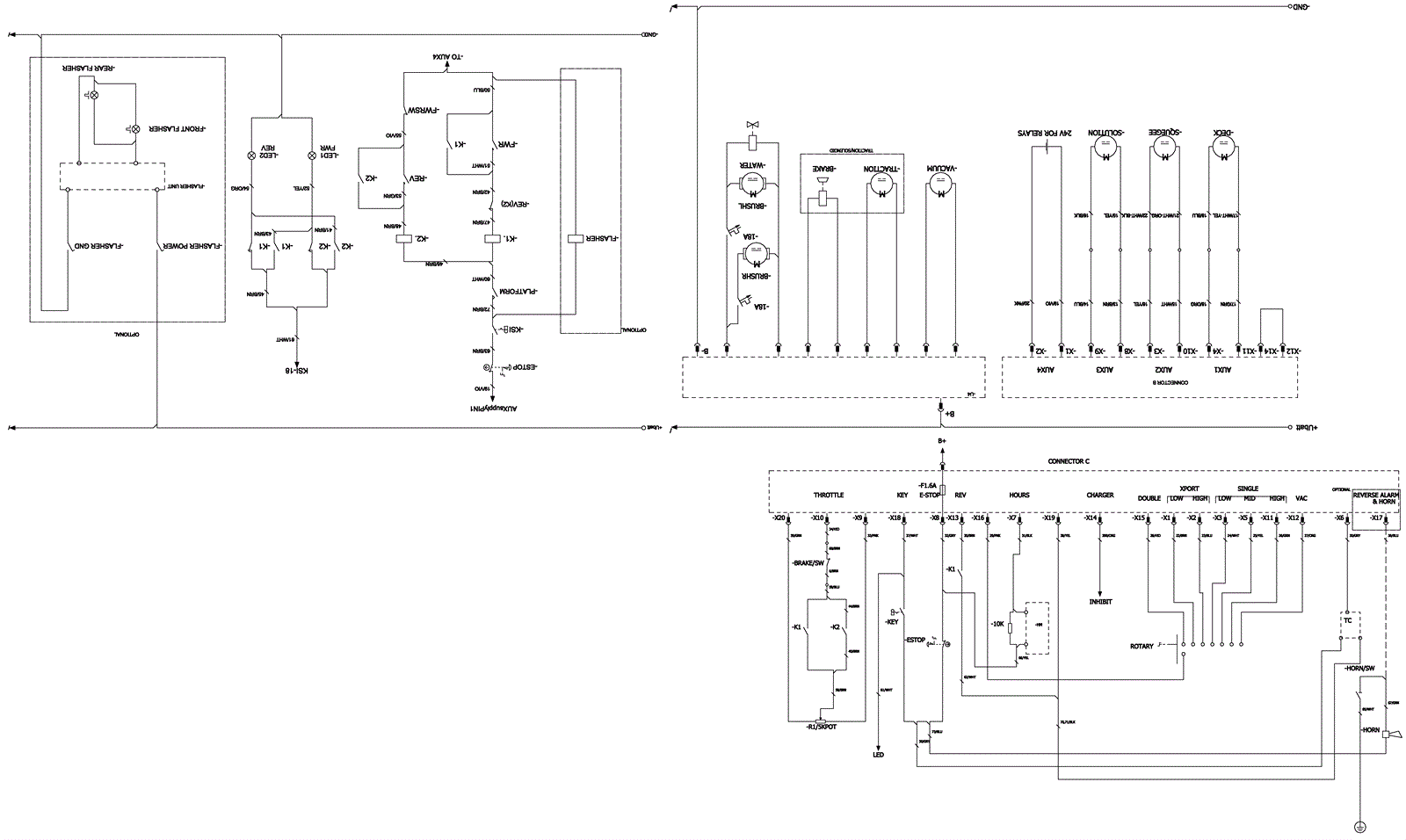
Wiring Diagram - 24 inch Disk - After 01.2009
Click to enlarge