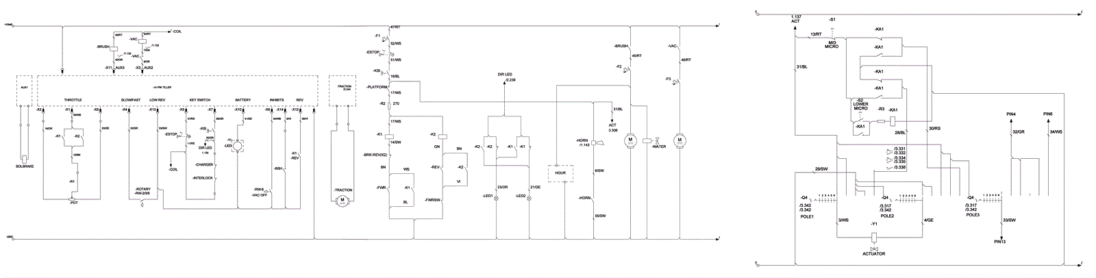
Wiring Diagram - Before SN 10061250000618 and 10061330000633
Click to enlarge