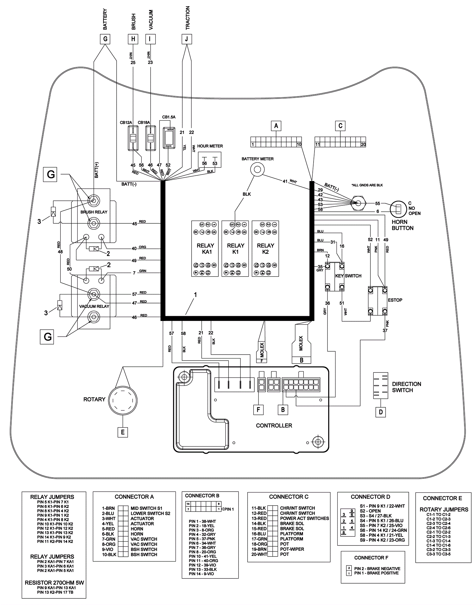
CHARIOT2 ISCRUB20D
Control Panel Wiring Diagram - Before SN 10061250000618 and 10061330000633
Click to enlarge
#
Part
Description
Price
Req
Notes
Availability
1
173-7298
Main panel harness
$861.56
1
ships same day
2
173-1716
Diode assembly
$57.55
2
usually ships 11-15 days
3
189-0372
Diode assembly
$148.58
2
usually ships 12-17 days