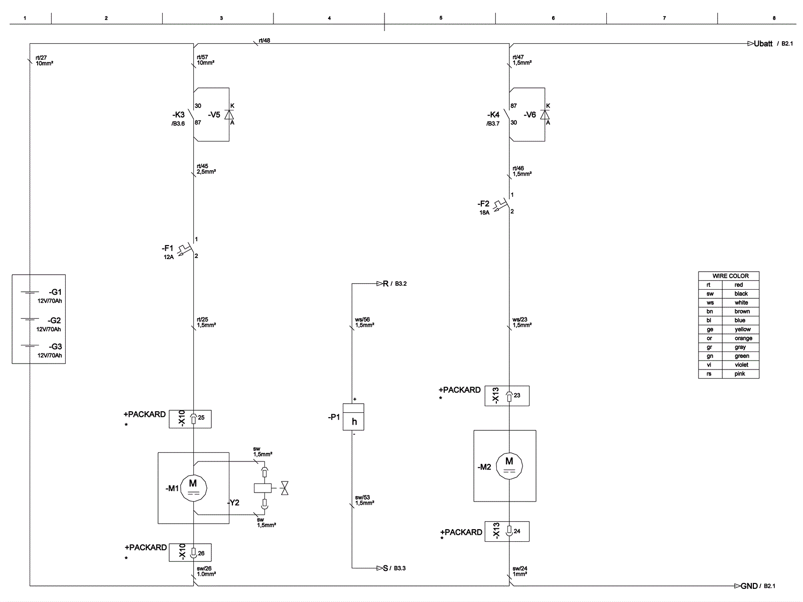
Wiring Diagram - 3 - After SN 10061250000616 and 10061330000631
Click to enlarge