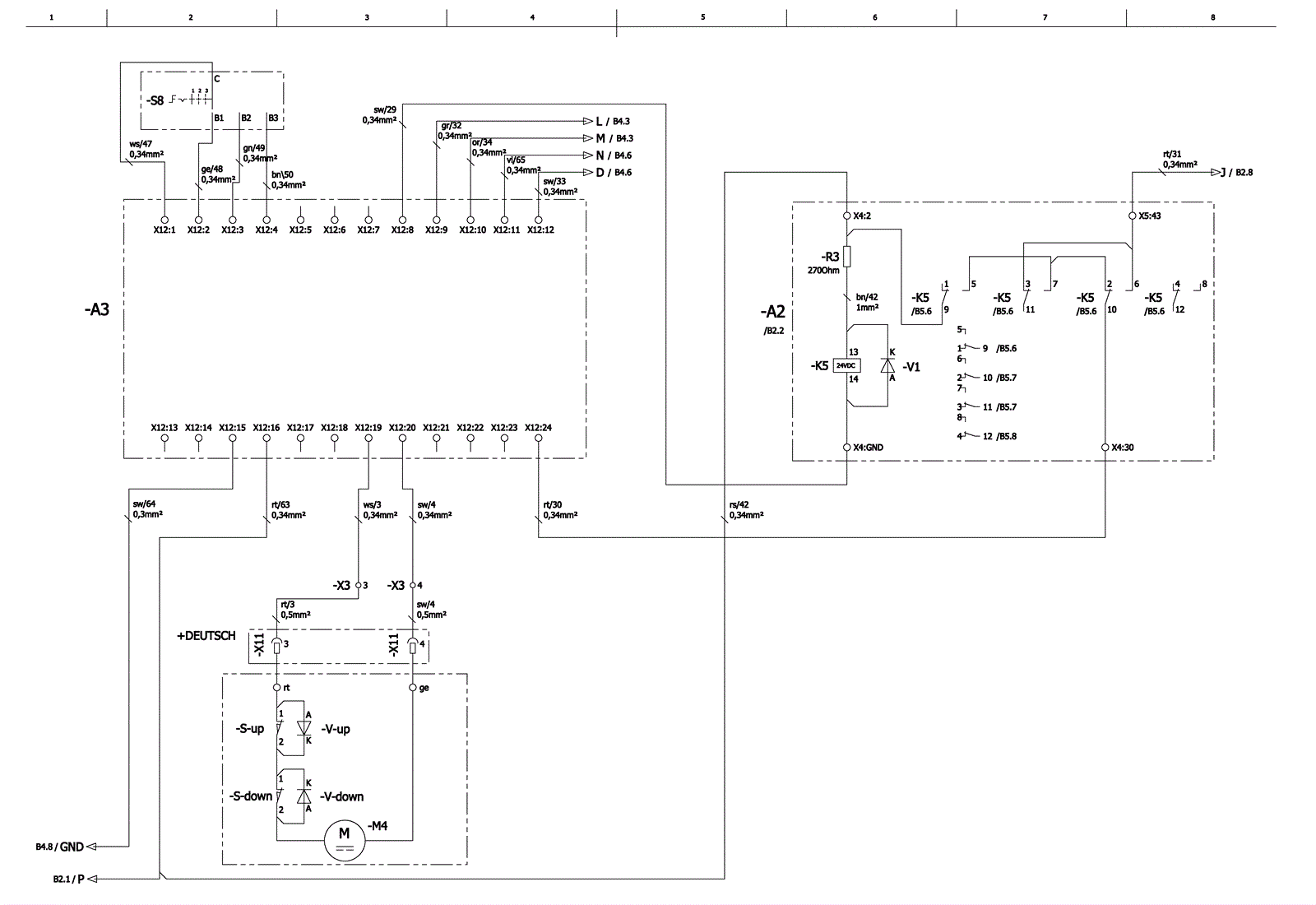
Wiring Diagram - 7
Click to enlarge