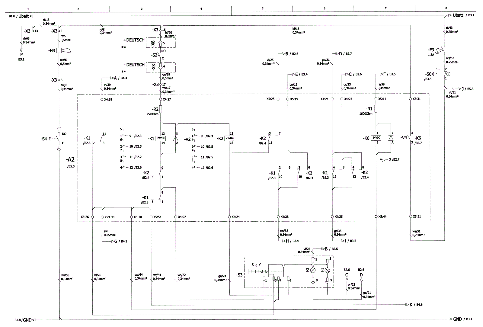
Wiring Diagram - 4
Click to enlarge