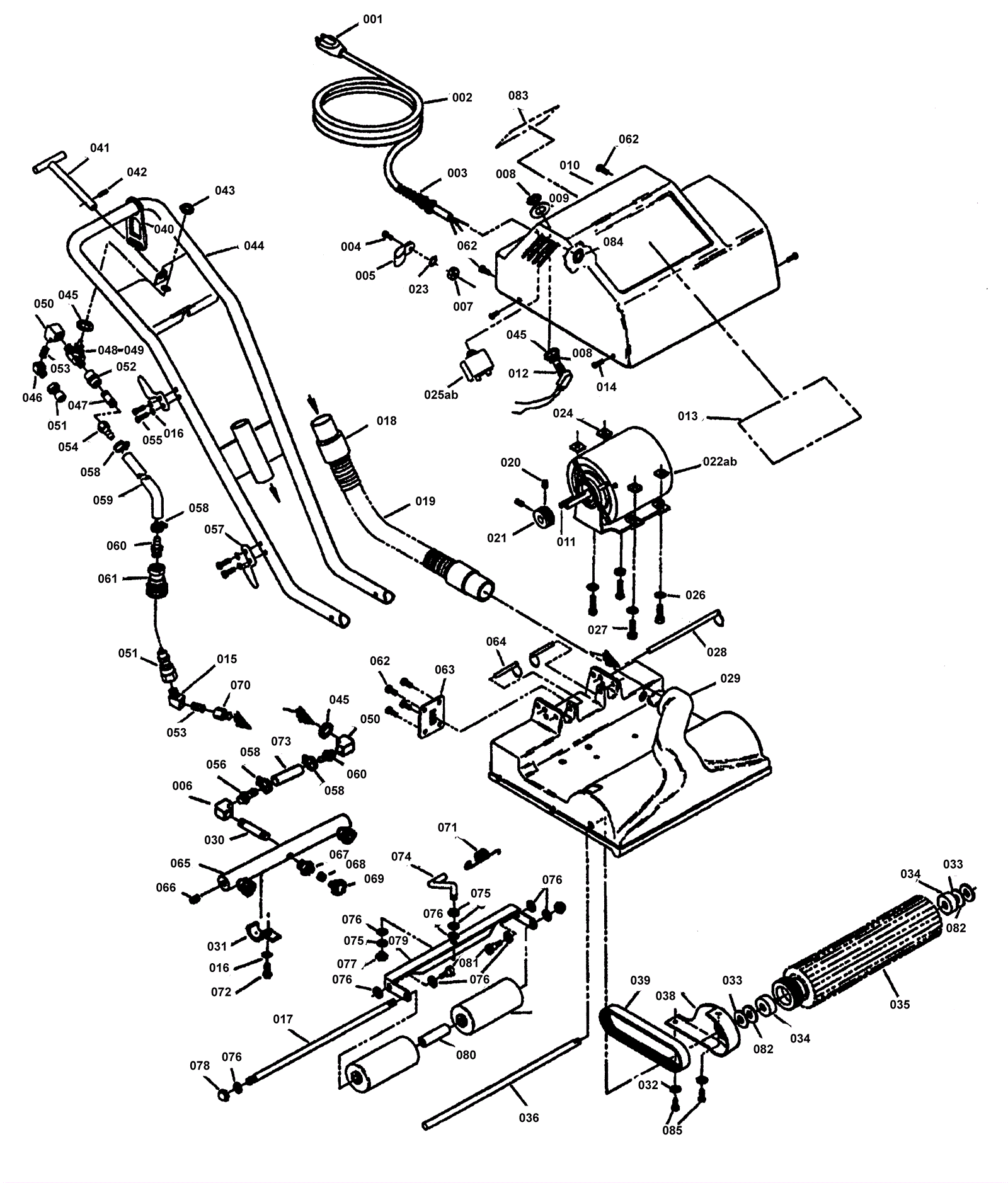
Entire Assembly
Click to enlarge
#
Part
Description
Price
Req
Notes
Availability
N/S
273-3531
Jet
$39.13
usually ships 1-5 days
N/S
273-3532
Valve
$275.42
usually ships 1-5 days
N/S
273-3533
Valve repair kit
$88.28
usually ships 1-5 days