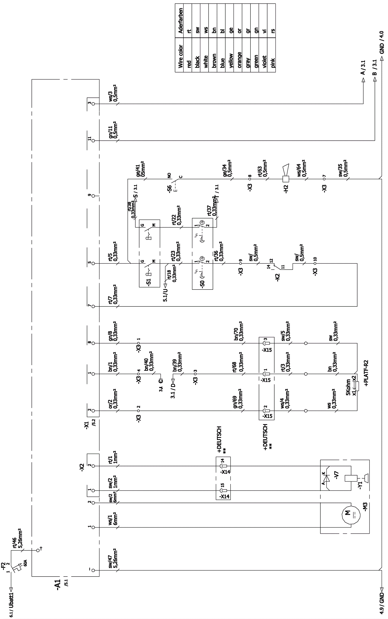
Wiring Diagram - Part 4
Click to enlarge