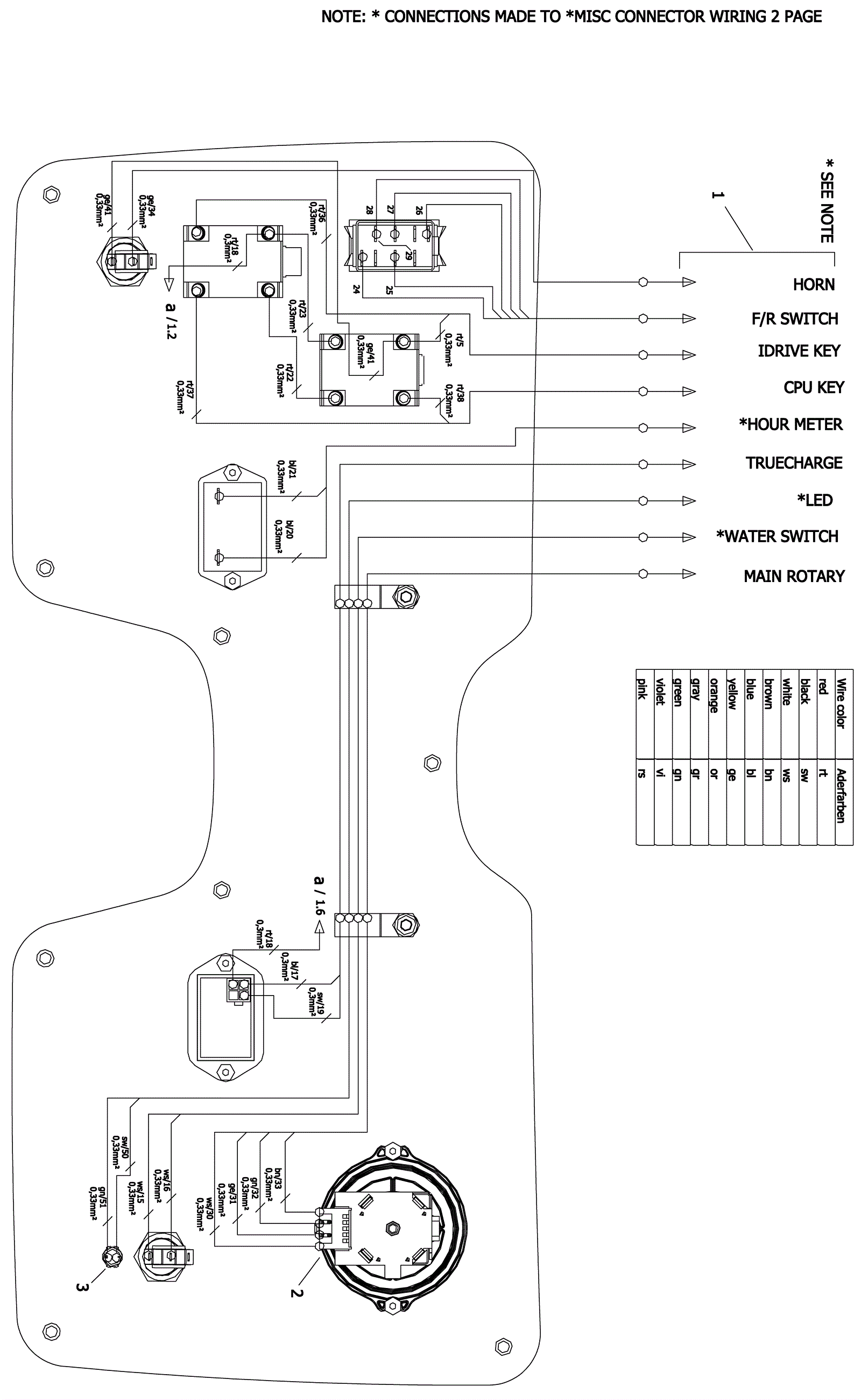
CHARIOT3 ISCRUB26 (GRAY)
Wiring Diagram - Part 1
Click to enlarge
#
Part
Description
Price
Req
Notes
Availability
1
273-3429
Panel harness
$400.18
1
usually ships 1-5 days
2
273-3430
Rotary main harness
$46.85
1
usually ships 1-5 days
3
273-7221
Water indicator LED
$43.55
1
usually ships 11-15 days