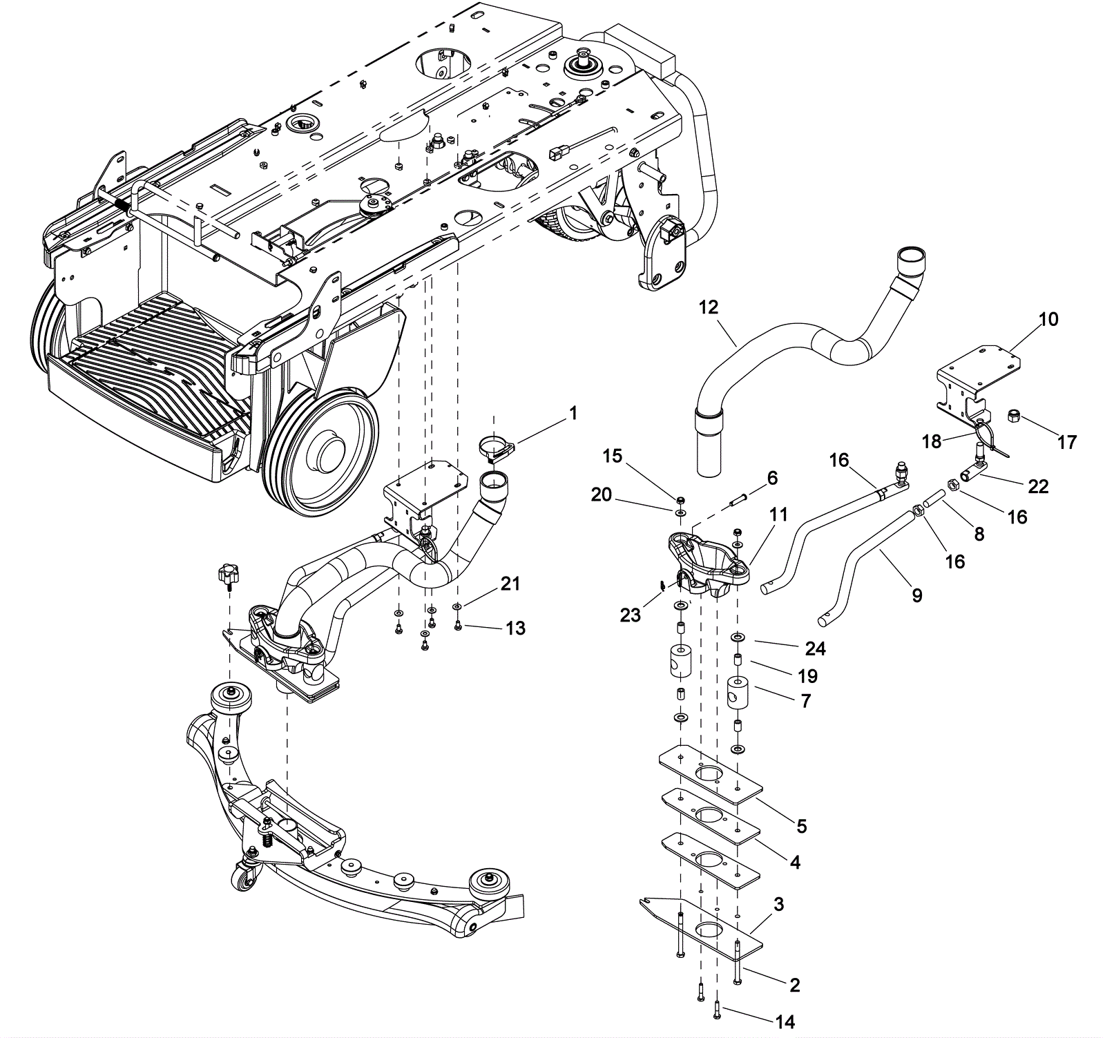
| # | Part | Description | Price | Req | Notes | Availability |
1 |
273-3425
|
Clamp |
$13.30
|
1 |
|
usually ships 11-15 days |
2 |
999-0977
|
Screw 5/16-18 x 3 1/2 hex head stainless steel |
$2.62
|
2 |
|
ships same day |
3 |
273-7297
|
Squeegee slide plate |
$37.66
|
1 |
|
usually ships 1-5 days |
4 |
273-7298
|
Mid slide plate |
$36.72
|
2 |
|
ships same day |
5 |
273-7299
|
Squeegee slide plate |
$31.66
|
1 |
|
usually ships 1-5 days |
6 |
273-7300
|
Clevis pin |
$6.59
|
1 |
|
usually ships 1-5 days |
7 |
273-7301
|
Squeegee rod |
$84.16
|
2 |
|
usually ships 11-15 days |
8 |
273-7302
|
Threaded rod |
$34.36
|
2 |
|
usually ships 11-15 days |
9 |
273-7303
|
Squeegee pivot rod |
$118.88
|
2 |
|
usually ships 11-15 days |
10 |
273-7304
|
Actuator bracket assembly |
$92.98
|
1 |
|
usually ships 11-15 days |
11 |
273-7305
|
Squeegee lift base |
$300.14
|
1 |
|
usually ships 11-15 days |
12 |
273-7164
|
1 1/2 inch suction hose |
$123.59
|
1 |
|
ships same day |
13 |
999-0644
|
Bolt 1/4-20 x 1/2 hex head stainless steel |
$0.99
|
4 |
|
ships same day |
14 |
999-0136
|
Bolt 1/4-20 x 1 1/4 hex head grade 5 zinc plated |
$0.99
|
2 |
|
ships same day |
15 |
999-0423
|
Nut 5/16-18 nylon insert lock stainless steel |
$0.99
|
2 |
|
ships same day |
16 |
999-0181
|
Nut 1/4-20 hex jam plain finish |
$0.99
|
4 |
|
ships same day |
17 |
173-5056
|
Nut 1/2-20 hex elastic lock (OBSOLETE) |
$2.77
|
2 |
|
usually ships 11-15 days |
18 |
273-3820
|
11 inch cable tie |
$0.41
|
1 |
|
ships same day |
19 |
273-7306
|
Bushing |
$10.71
|
4 |
|
usually ships 11-15 days |
20 |
999-0549
|
Washer 5/16 x 3/4 SAE flat stainless steel |
$0.99
|
2 |
|
ships same day |
21 |
999-0123
|
Washer 1/4 SAE flat zinc plated |
$0.99
|
4 |
|
ships same day |
22 |
173-3691
|
1/2 inch ball joint |
$60.03
|
2 |
|
ships same day |
23 |
173-1130
|
Cotter ring |
$3.10
|
1 |
|
ships same day |
24 |
173-2815
|
Washer 33/64 x 1 thrust |
$8.36
|
4 |
|
usually ships 11-15 days |