| # | Part | Description | Price | Req | Notes | Availability |
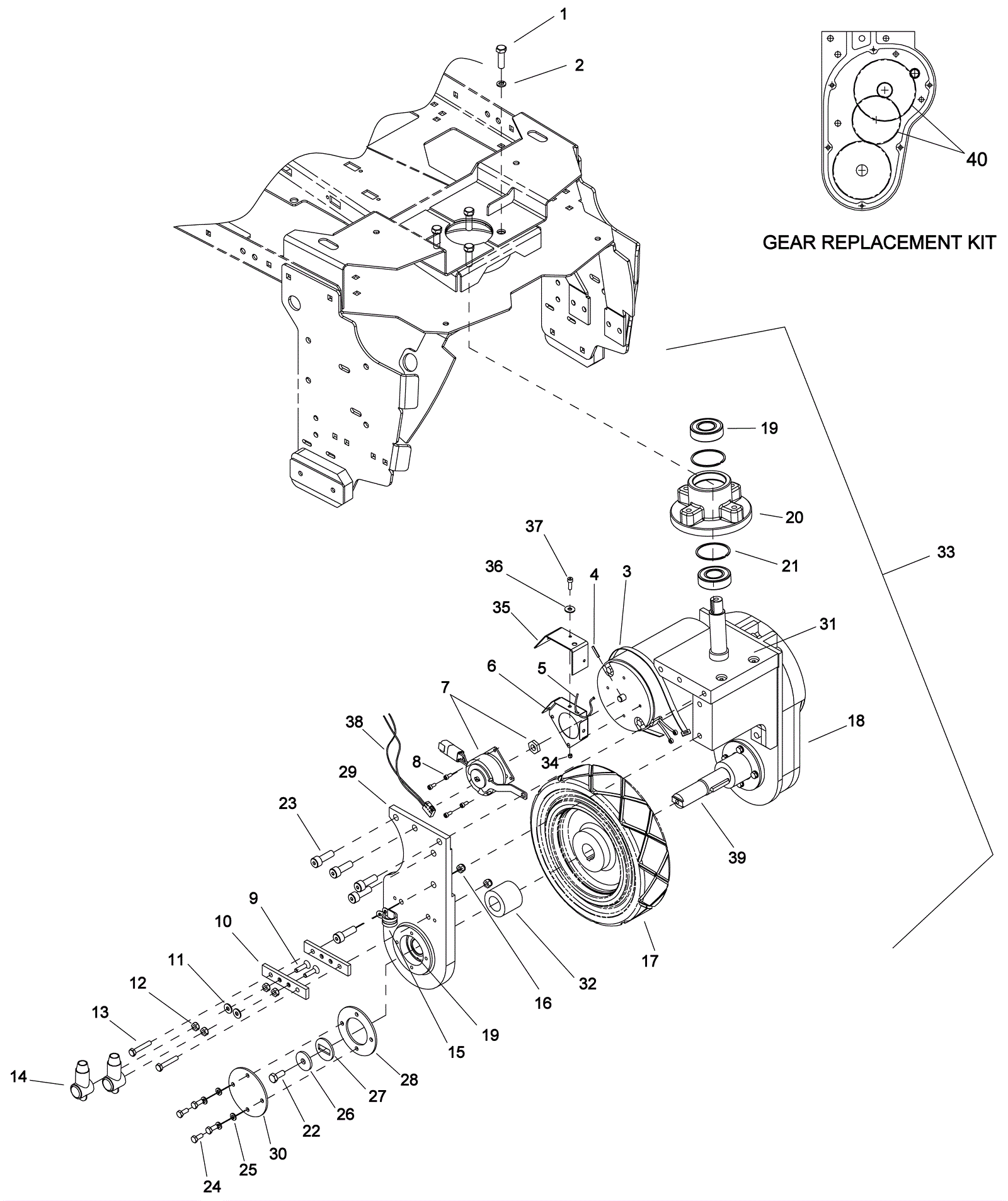
1 |
999-0039
|
Bolt 3/8-16 x 1 1/4 hex head grade 5 zinc plated |
$0.99
|
4 |
|
ships same day |
2 |
999-0034
|
Washer 3/8 split lock plain finish |
$1.82
|
4 |
|
ships same day |
3 |
173-3305
|
Cable tie |
$12.47
|
1 |
|
usually ships 1-5 days |
4 |
173-2019
|
Roll pin |
$0.99
|
1 |
|
usually ships 1-5 days |
5 |
173-0822
|
Wire tie |
$1.06
|
1 |
|
usually ships 11-15 days |
6 |
173-5586
|
Spacer plate |
$39.82
|
1 |
(after SN 10060210000103) |
usually ships 1-5 days |
7 |
173-8594
|
36V brake with connector |
$542.60
|
1 |
|
usually ships 11-15 days |
8 |
173-5585
|
Screw 8-32 x 3/8 socket head stainless steel |
$1.52
|
4 |
|
usually ships 11-15 days |
9 |
999-1345
|
Screw 1/4-20 x 1 flat head phillips stainless steel |
$0.99
|
2 |
|
ships same day |
10 |
173-5584
|
Terminal mount |
$33.77
|
2 |
|
usually ships 1-5 days |
11 |
999-0123
|
Washer 1/4 SAE flat zinc plated |
$0.99
|
2 |
|
ships same day |
12 |
999-1466
|
Nut 1/4-20 lock with external toothed lockwasher SS |
$0.99
|
4 |
|
ships same day |
13 |
999-0506
|
Bolt 1/4-20 x 1 1/2 hex head stainless steel |
$1.28
|
2 |
|
ships same day |
14 |
173-3311
|
Insulated rubber terminal boot |
$4.30
|
2 |
|
usually ships 11-15 days |
15 |
173-3112
|
P clamp |
$10.42
|
1 |
|
usually ships 11-15 days |
16 |
999-0294
|
Nut 1/4-20 hex nylon lock type NE stainless steel |
$1.18
|
2 |
|
ships same day |
17a |
173-5334
|
Drive wheel |
$383.76
|
1 |
|
ships same day |
17b |
173-5589
|
Wheel with keyway and iron hub (gray) |
$686.19
|
1 |
(option) |
usually ships 11-15 days |
18 |
273-5987
|
Drive gear box (OBSOLETE) |
$1,628.00
|
1 |
|
usually ships 11-15 days |
19 |
173-4756
|
Bearing |
$45.90
|
3 |
|
usually ships 11-15 days |
20 |
173-5567
|
Steering hub |
$224.81
|
1 |
|
usually ships 11-15 days |
21 |
173-4746
|
Internal snap ring |
$11.89
|
2 |
|
usually ships 11-15 days |
22 |
999-1133
|
Bolt M8-1.25 x 20mm hex head full thread plain |
$0.99
|
1 |
|
ships same day |
23 |
273-5988
|
Screw M10-30mm socket head cap |
$18.25
|
10 |
|
usually ships 1-5 days |
24 |
173-5577
|
Screw M6-1 x 15mm hex head |
$2.33
|
4 |
|
usually ships 1-5 days |
25 |
999-0876
|
Washer M6 split lock plain finish |
$0.99
|
4 |
|
ships same day |
26 |
999-1267
|
Washer M8 flat zinc |
$0.99
|
1 |
|
ships same day |
27 |
173-5590
|
Anti-rotation washer |
$9.82
|
1 |
|
usually ships 1-5 days |
28 |
173-5579
|
Bearing retainer plate |
$36.01
|
1 |
|
usually ships 1-5 days |
29 |
173-5578
|
Right hand drive plate |
$364.87
|
1 |
|
usually ships 1-5 days |
30 |
173-5582
|
Bearing cover plate |
$36.84
|
1 |
|
usually ships 1-5 days |
31 |
173-5591
|
Pivot shaft assembly |
$647.35
|
1 |
|
usually ships 11-15 days |
32 |
173-5592
|
Spacer |
$33.31
|
1 |
|
usually ships 11-15 days |
33a |
173-5593
|
Drive motor assembly (OBSOLETE) |
$2,464.00
|
1 |
(includes 1-16 and 18-39) |
usually ships 11-15 days |
33b |
273-6270
|
Carbon brush set (OBSOLETE) |
$184.80
|
|
|
usually ships 11-15 days |
34 |
999-0442
|
Nut 10-24 nylon insert lock stainless steel |
$1.76
|
3 |
(after SN 10060210000103) |
ships same day |
35 |
173-5587
|
Brake skirt |
$9.96
|
1 |
(after SN 10060210000103) |
usually ships 11-15 days |
36 |
999-0998
|
Washer #10 flat stainless steel |
$0.99
|
3 |
(after SN 10060210000103) |
ships same day |
37 |
999-0896
|
Screw 10-32 x 3/8 round head phillips stainless steel |
$0.99
|
3 |
(after SN 10060210000103) |
ships same day |
38 |
273-5989
|
36V brake switch (OBSOLETE) |
$27.06
|
1 |
|
usually ships 11-15 days |
39 |
273-6576
|
Drive axle |
$70.04
|
1 |
|
usually ships 11-15 days |
40 |
273-6577
|
Drive gear kit (OBSOLETE) |
$304.70
|
1 |
|
usually ships 11-15 days |